Curiosii for ever!
: Car repair manuals for everyone.
Home
>>
Dodge
>>
1987
>>
Lancer L4-153 2.5L SOHC
>>
Repair and Diagnosis
>>
Diagrams
>>
Electrical Diagrams
>>
Cruise Control
>>
Cruise Control Switch
Cruise Control Switch
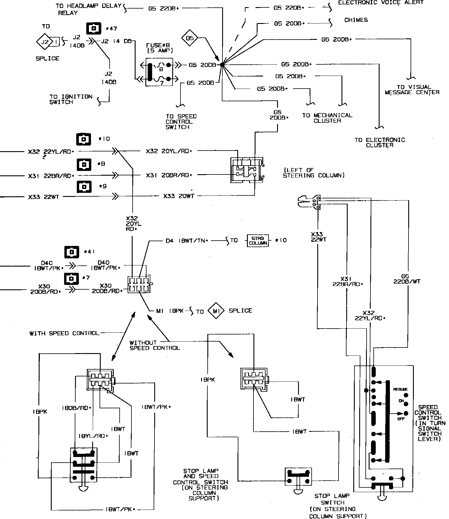
Fig. 54 Speed Cntrol Switch & Stop Lamp Wiring Circuit (Part 1 of 2):
Fig. 54 Speed Cntrol Switch & Stop Lamp Wiring Circuit (Part 2 of 2):