Curiosii for ever!
: Car repair manuals for everyone.
Home
>>
Dodge
>>
1987
>>
Charger L4-135 2.2L SOHC
>>
Repair and Diagnosis
>>
Diagrams
>>
Electrical Diagrams
>>
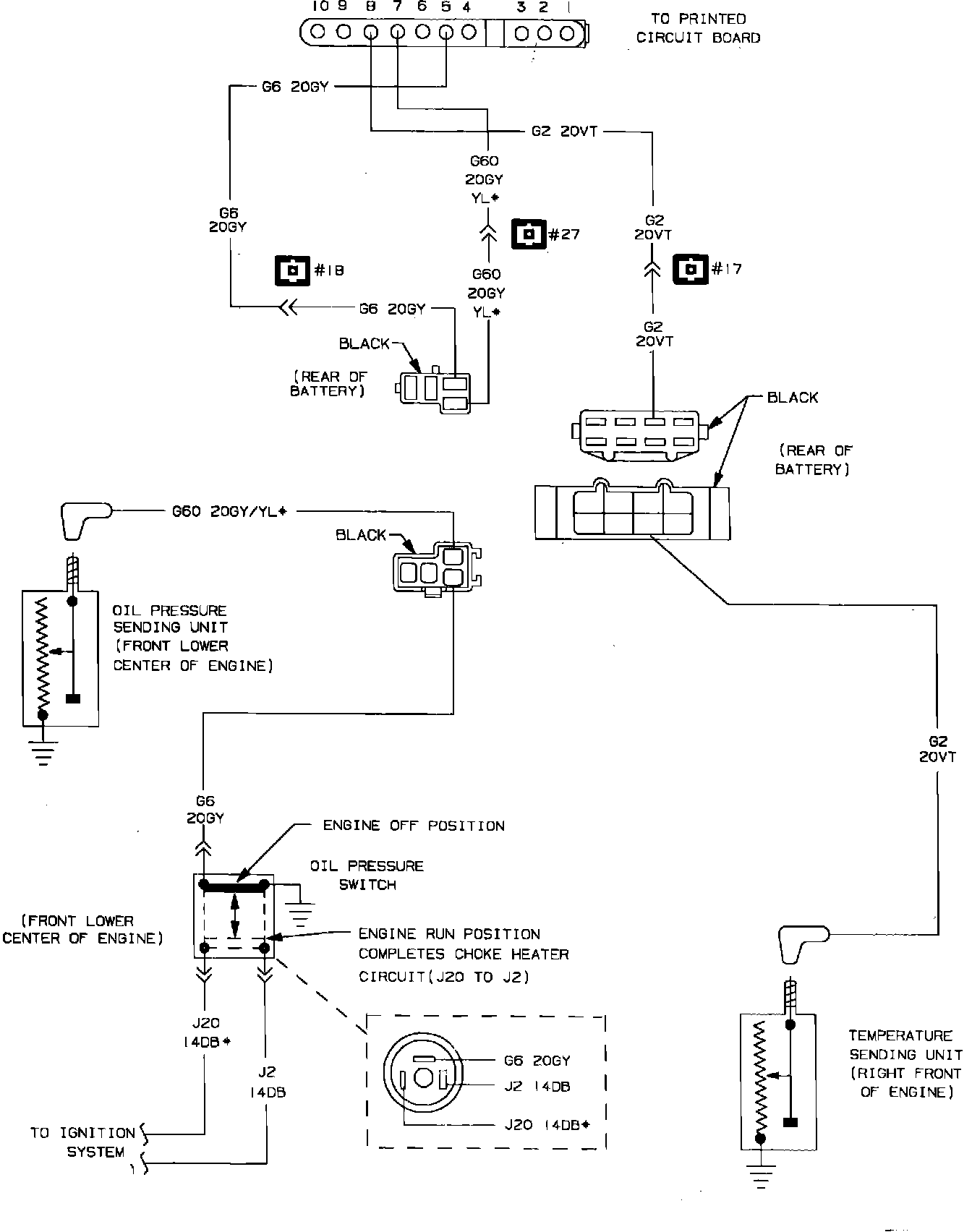
Oil Temperature Sensor/Switch, Engine
Oil Temperature Sensor/Switch, Engine
Fig. 35 Oil Pressure & Temperature Warning System Wiring Circuit: