Curiosii for ever!
: Car repair manuals for everyone.
Home
>>
Dodge
>>
1987
>>
600 L4-135 2.2L SOHC
>>
Repair and Diagnosis
>>
Diagrams
>>
Electrical Diagrams
>>
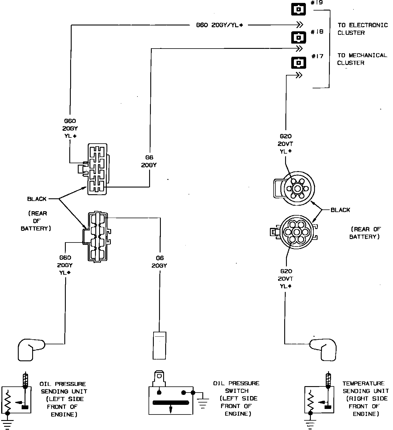
Oil Temperature Sensor/Switch, Engine
Oil Temperature Sensor/Switch, Engine
Fig. 48 Oil & Temperature Switch Wiring Circuit: