Curiosii for ever!
: Car repair manuals for everyone.
Home
>>
Dodge
>>
1983
>>
Mirada L6-225 3.7L VIN H 1-bbl
>>
Repair and Diagnosis
>>
Powertrain Management
>>
Computers and Control Systems
>>
Relays and Modules - Computers and Control Systems
>>
Electronic Spark Control Module
>>
Diagrams
>>
Electrical Diagrams
>>
Part 1 of 2
Part 1 of 2
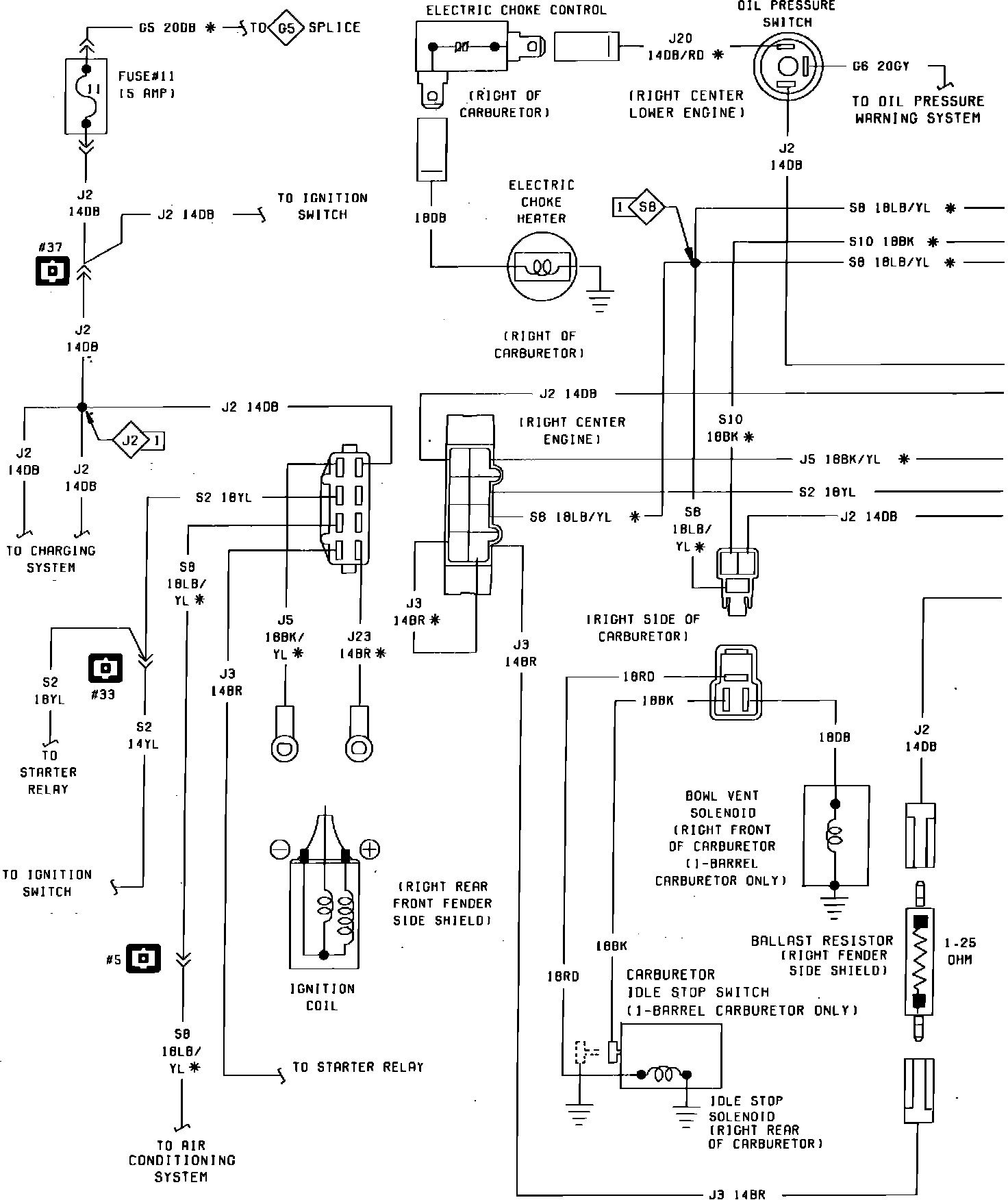
Fig. 20 Ignition System Electronic Control Unit Wiring Circuit (Part 1 of 2). Cordoba & Mirada W/6-255 Engine: