Curiosii for ever!: Car repair manuals for everyone.

Occupant Restraint Controller - Installation






INSTALLATION

WARNING:
To avoid serious or fatal injury on vehicles equipped with side curtain airbags, disable the Supplemental Restraint System (SRS) before attempting any Occupant Restraint Controller (ORC) diagnosis or service. The ORC contains a rollover sensor, which enables the system to deploy the side SRS components in the event of a vehicle rollover event. If an ORC is accidentally rolled during service while still connected to battery power, the side SRS components will deploy. Disconnect and isolate the battery negative (ground) cable, then wait two minutes for the system capacitor to discharge before performing further diagnosis or service. This is the only sure way to disable the SRS. Failure to take the proper precautions could result in accidental airbag deployment.

WARNING:
To avoid serious or fatal injury on vehicles equipped with airbags, disable the Supplemental Restraint System (SRS) before attempting any steering wheel, steering column, airbag, seat belt tensioner, impact sensor, or instrument panel component diagnosis or service. Disconnect and isolate the battery negative (ground) cable, then wait two minutes for the system capacitor to discharge before performing further diagnosis or service. This is the only sure way to disable the SRS. Failure to take the proper precautions could result in accidental airbag deployment.

WARNING:
To avoid serious or fatal injury, never strike or drop the Occupant Restraint Controller (ORC), as it can damage the impact sensor or affect its calibration. The ORC contains the impact sensor, which enables the system to deploy the Supplemental Restraint System (SRS) components. If an ORC is accidentally dropped during service, the module must be scrapped and replaced with a new unit. Failure to observe this warning could result in accidental, incomplete, or improper SRS component deployment.





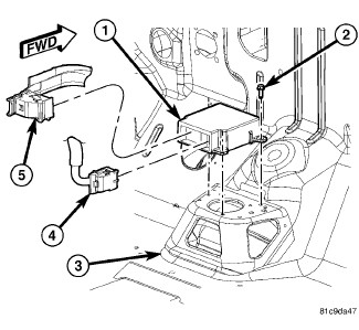
1. Working from the right side of the floor panel transmission tunnel, carefully position the Occupant Restraint Controller (ORC) (1) to the ORC mounting bracket (3) welded onto the top of the floor panel transmission tunnel. When the ORC is correctly positioned, the arrow on the ORC label will be pointed forward in the vehicle and the locating pins on the bottom of the ORC will be engaged into the locating holes in the bracket.

2. Install and tighten the three screws (2) that secure the ORC to the ORC mounting bracket. Tighten the screws to 9 Nm (80 in. lbs.).

CAUTION:
The lever arms of the wire harness connectors for the ORC MUST be in the unlatched position before they are inserted into their connector receptacles on the ORC or they may become damaged.

3. Reconnect the body wire harness connector (5) and the instrument panel wire harness connector (4) to the ORC connector receptacles located on the rearward facing side of the module. Be certain that the latches on both connectors are each fully engaged.

4. If removed, reinstall the Electronic Stability Program (ESP) dynamic sensor onto the right side of the ORC mounting bracket. Dynamics Sensor - Installation.

5. Do not reconnect the negative cable to the battery at this time. The Supplemental Restraint System (SRS) Verification Test procedure should be performed following service of any SRS component. Service and Repair.

NOTE:
Service ORC modules are shipped in an UNLOCKED state. The UNLOCKED state disables all of the squib circuits. ORC diagnostics are enabled during a learning period (ignition cycle). The airbag indicator will stay ON until the ORC is LOCKED with the scan tool, but may also stay ON if active Diagnostic Trouble Codes (DTC) are present. Before the ORC may be LOCKED:
- System voltage must be within normal range.
- The CAN-C data bus must not be in the OFF condition.
- Valid bus messages used for learning vehicle configuration must be received at least twice by the ORC.
- The ORC must learn and program the vehicle configuration based upon both CAN-C bus messages and hard wired equipment inputs during an ignition cycle.
- If equipped, the Occupant Detection Sensor (ODS) and the Electronic Pedestrian Protection (EPP) system are learned if a valid load is measured on the related hard wired circuits.
- The ORC shall not allow itself to be LOCKED until it has successfully learned a vehicle configuration. However, if the configuration has been learned, it shall allow itself to be LOCKED with an active or stored DTC.
The default ORC configuration will cause a Configuration Mismatch fault to be set. A Configuration Mismatch is defined as: The feature is not configured, but the ORC found a valid load on the related circuits when tested. When first installed, the ORC will set a B-2722 fault, ORC UNLOCKED - ALL DEPLOYMENT DISABLED. Use a diagnostic scan tool to access MISCELLANEOUS FUNCTIONS for the ORC module and perform the MODULE INITIALIZATION procedure. This will erase the fault and initialize the ORC.