Curiosii for ever!: Car repair manuals for everyone.

Occupant Restraint Controller - Installation






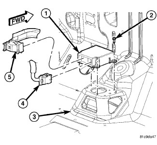
INSTALLATION

WARNING: To avoid serious or fatal injury on vehicles equipped with side curtain airbags, disable the Supplemental Restraint System (SRS) before attempting any Occupant Restraint Controller (ORC) diagnosis or service. The ORC contains a rollover sensor, which enables the system to deploy the side SRS components in the event of a vehicle rollover event. If an ORC is accidentally rolled during service while still connected to battery power, the side SRS components will deploy. Disconnect and isolate the battery negative (ground) cable, then wait two minutes for the system capacitor to discharge before performing further diagnosis or service. This is the only sure way to disable the SRS. Failure to take the proper precautions could result in accidental airbag deployment.

WARNING: To avoid serious or fatal injury on vehicles equipped with airbags, disable the Supplemental Restraint System (SRS) before attempting any steering wheel, steering column, airbag, seat belt tensioner, impact sensor, or instrument panel component diagnosis or service. Disconnect and isolate the battery negative (ground) cable, then wait two minutes for the system capacitor to discharge before performing further diagnosis or service. This is the only sure way to disable the SRS. Failure to take the proper precautions could result in accidental airbag deployment.

WARNING: To avoid serious or fatal injury, never strike or drop the Occupant Restraint Controller (ORC), as it can damage the impact sensor or affect its calibration. The ORC contains the impact sensor, which enables the system to deploy the Supplemental Restraint System (SRS) components. If an ORC is accidentally dropped during service, the module must be scrapped and replaced with a new unit. Failure to observe this warning could result in accidental, incomplete, or improper SRS component deployment.





1. Working from the right side of the floor panel transmission tunnel, carefully position the Occupant Restraint Controller (ORC) (1) to the ORC mounting bracket (3) welded onto the top of the floor panel transmission tunnel. When the ORC is correctly positioned, the arrow on the ORC label will be pointed forward in the vehicle and the locating pins on the bottom of the ORC will be engaged into the locating holes in the bracket.
2. Install and tighten the three screws (2) that secure the ORC to the ORC mounting bracket. Tighten the screws to 10 Nm (88 in. lbs.).

CAUTION: The lever arms of the wire harness connectors for the ORC MUST be in the unlatched position before they are inserted into their connector receptacles on the ORC or they may become damaged.

3. Reconnect the body wire harness connector (5) and the instrument panel wire harness connector (4) to the ORC connector receptacles located on the rearward facing side of the module. Be certain that the latches on both connectors are each fully engaged.
4. If removed, reinstall the Electronic Stability Program (ESP) dynamic sensor onto the right side of the ORC mounting bracket. .
5. Do not reconnect the battery negative cable at this time. The Supplemental Restraint System (SRS) Verification Test procedure should be performed following service of any SRS component. Service and Repair.

NOTE: Service ORC modules are shipped in a LOCKED OUT state and, when installed, will set a B-2722 fault, ORC UNLOCKED - ALL DEPLOYMENT DISABLED. Use a diagnostic scan tool to access MISCELLANEOUS FUNCTIONS for the ORC module and perform the MODULE INITIALIZATION procedure. This will erase the fault and initialize the ORC.