Curiosii for ever!: Car repair manuals for everyone.

Occupant Restraint Controller - Removal






REMOVAL

WARNING: To avoid serious or fatal injury on vehicles equipped with side curtain airbags, disable the Supplemental Restraint System (SRS) before attempting any Occupant Restraint Controller (ORC) diagnosis or service. The ORC contains a rollover sensor, which enables the system to deploy the side SRS components in the event of a vehicle rollover event. If an ORC is accidentally rolled during service while still connected to battery power, the side SRS components will deploy. Disconnect and isolate the battery negative (ground) cable, then wait two minutes for the system capacitor to discharge before performing further diagnosis or service. This is the only sure way to disable the SRS. Failure to take the proper precautions could result in accidental airbag deployment.

WARNING: To avoid serious or fatal injury on vehicles equipped with airbags, disable the Supplemental Restraint System (SRS) before attempting any steering wheel, steering column, airbag, seat belt tensioner, impact sensor or instrument panel component diagnosis or service. Disconnect and isolate the battery negative (ground) cable, then wait two minutes for the system capacitor to discharge before performing further diagnosis or service. This is the only sure way to disable the SRS. Failure to take the proper precautions could result in accidental airbag deployment.

WARNING: To avoid serious or fatal injury, never strike or drop the Occupant Restraint Controller (ORC), as it can damage the impact sensor or affect its calibration. The ORC contains the impact sensor, which enables the system to deploy the Supplemental Restraint System (SRS) components. If an ORC is accidentally dropped during service, the module must be scrapped and replaced with a new unit. Failure to observe this warning could result in accidental, incomplete, or improper SRS component deployment.





1. Disconnect and isolate the battery negative cable. Wait two minutes for the system capacitor to discharge before further service.
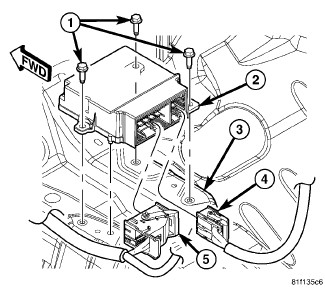
2. Remove the mini console from the top of the floor panel transmission tunnel (3). Instrument Panel Lower Bin - Removal.
3. First disconnect the instrument panel wire harness connector (4), followed by the body wire harness connector (5) from the Occupant Restraint Controller (ORC) (2) connector receptacles located on the rearward facing side of the module. To disconnect the wire harness connectors from the ORC, depress the release tab and lift the lever arm to the fully open position on each connector.
4. Remove the three screws (1) that secure the ORC to the ORC bracket that is welded onto the top of the floor panel transmission tunnel.
5. Lift the ORC far enough to disengage the locating pins and remove the ORC from the bracket.