Heated Seat Module - Description
DESCRIPTION
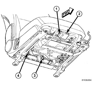
The heated seat module (2) is located under the driver front seat. It has a single electrical connector (1) and a push pin style retainer that secures it to the seat pan (4). The module can be accessed from under the Driver seat with the seat in the full back and up position.
The heated seat module is a microprocessor designed to use the Local Interface Network (LIN) data bus messages from the instrument cluster, sometimes referred to as the Cab Compartment Node (CCN). The CCN receives inputs from the heated seat switches and in turn signals the heated seat module to operate the heated seat elements for both front seats.