Curiosii for ever!: Car repair manuals for everyone.

Anti-Lock Brake System Module - Installation






LEFT-HAND DRIVE

1. Clean any debris off the mating surfaces of the HCU and ABM.

CAUTION: When installing new O-rings or solenoid valve stem seals, do not use any type of lubricant.










2. If the seals (1) on the solenoid valve stems (2) are not new, replace them all. Each of the solenoid valve stem seals must be new to keep out moisture and debris; do not reuse solenoid valve stem seals.










3. Replace the pump/motor connector O-ring (1) if it is not new. Be sure the O-ring is properly seated in the mounting groove (2).










4. Align components and install the ABM (1) on the HCU (2).





5. Install the four screws (1) attaching the ABM (2) to the HCU. Tighten the mounting screws to 2 Nm (17 in. lbs.).










CAUTION: Before installing the ABM harness connector on the ABM, be sure the seal is properly installed in the connector.

6. Insert the ABM wiring harness connector (2) into the socket of the ABM (1) and close the cover, locking the connector in place.

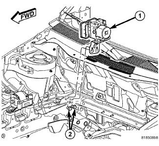
7. Raise and support the vehicle. Maintenance





8. Loosen the two mounting screws (2) as necessary and allow the ICU (1) mounting bracket to slide down over the mounting screws and hang the assembly in place. Tighten the two mounting screws (2) to 23 Nm (17 ft. lbs.).

9. Lower the vehicle.
10. Position the fresh air plenum and install the two mounting screws.




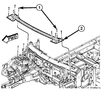
11. Install the wheelhouse brace (2). Install and tighten the eight mounting bolts (four each side) (1) to 48 Nm (35 ft. lbs.).





12. Install the cowl screen. Install the push-pins (1) securing the cowl screen to the wheelhouse brace and cowl. Rotate the screw (2) in the center of the cowl screen 90° counterclockwise to lock the screen in place.
13. Install the wiper arms. Wiper Arm - Installation





14. Install the cowl top screen (3). Install the two push-pins (1) securing the cowl top screen at the ends. Install the remaining push-pins (2).

15. Install the engine appearance cover.
16. Connect the negative cable on the battery negative post.
17. Hook up the scan tool to initialize the ABM and perform the following:
a. Clear any faults.
b. Perform the ABS Verification Test and road test the vehicle. ABS Verification Test