Curiosii for ever!
: Car repair manuals for everyone.
Home
>>
Dodge or Ram Truck
>>
2009
>>
Journey AWD V6-3.5L
>>
Repair and Diagnosis
>>
Power and Ground Distribution
>>
Power Distribution Module
>>
Locations
>>
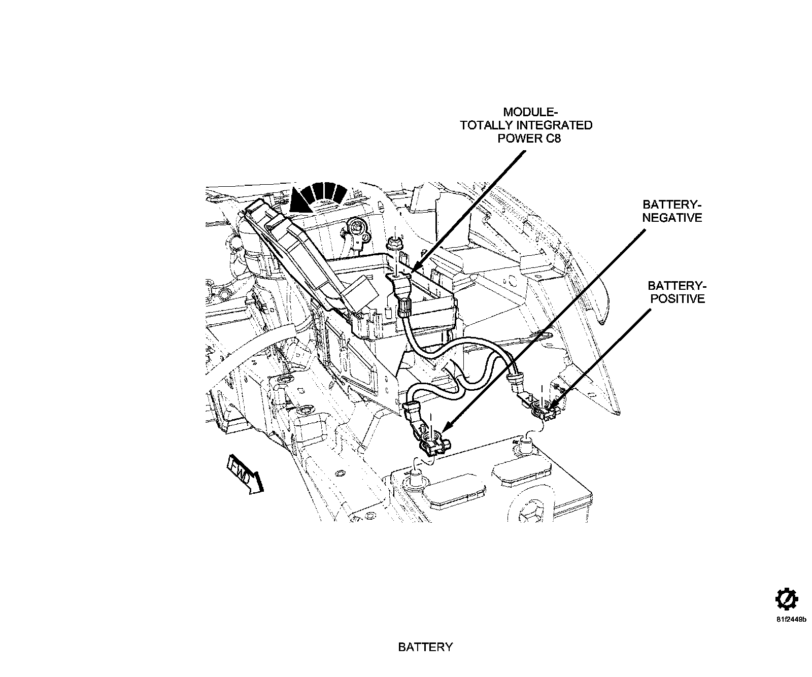
Totally Integrated Power Module
Totally Integrated Power Module