Curiosii for ever!: Car repair manuals for everyone.

Checking the MAP Sensor Operation







*CHECKING THE MAP SENSOR OPERATION





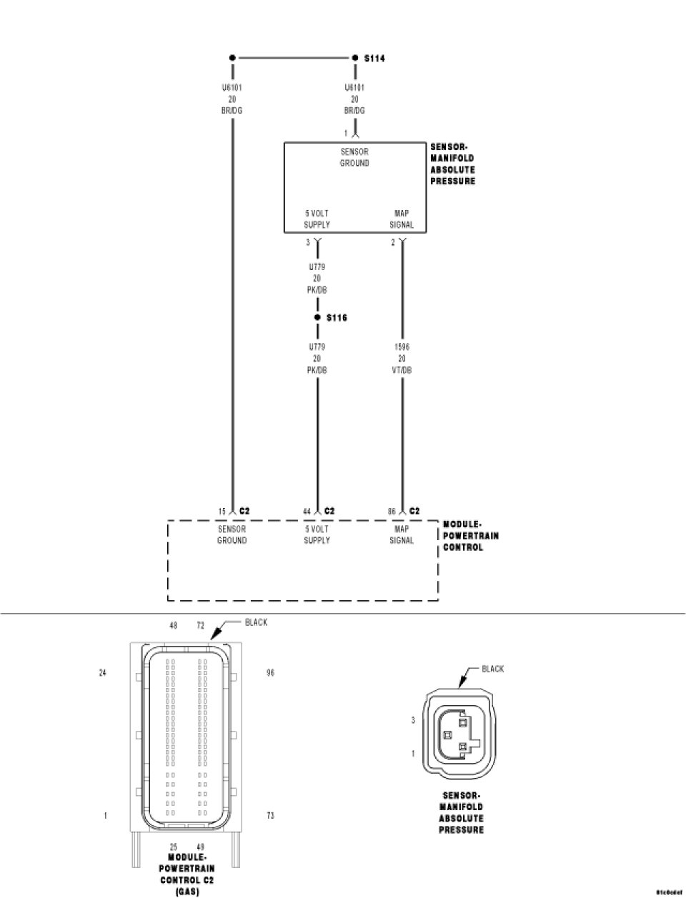
For a complete wiring diagram Consult Diagrams/Electrical.

Diagnostic Test

1. MANIFOLD ABSOLUTE PRESSURE SENSOR WIRING OR CONNECTORS

NOTE: Diagnose and repair any Manifold Absolute Pressure Sensor circuit DTCs before proceeding with this test.

NOTE: Diagnose and repair any sensor supply or system voltage DTCs before proceeding with this test.

Turn the ignition off.
Using the wiring diagram/schematic as a guide, inspect the wiring and connectors between the Manifold Absolute Pressure Sensor and the PCM.
Look for any chafed, pierced, pinched, or partially broken wires.
Look for broken, bent, pushed out or corroded terminals.
Turn the ignition on.
Monitor the scan tool data relative to the sensor and wiggle test the wiring and connectors.
Look for the data to change or for a DTC to set during the wiggle test. If necessary, check each sensor circuit for high resistance or a shorted condition.
Were any problems found?

Yes

- Repair as necessary.
- Perform the PCM Verification Test.Powertrain Verification Test

No

- Go to 2

2. MAP VACUUM/BAROMETRIC PRESSURE
With a scan tool, read the Barometric Pressure.

NOTE: The Barometric Pressure should be approximately equal to the actual barometric pressure. If necessary, compare the Barometric Pressure value of the tested vehicle to the value of a known good vehicle of a similar make and model.

Connect a vacuum gauge to a manifold vacuum source.
Start the engine.

NOTE: If engine will not idle, maintain a constant RPM above idle.

WARNING: When the engine is operating, do not stand in direct line with the fan. Do not put your hands near the pulleys, belts, or fan. Do not wear loose clothing. Failure to follow these instructions can result in personal injury or death.

With the scan tool, read the Manifold Absolute Pressure Sensor vacuum.

NOTE: The scan tool reading for MAP vacuum should be within 1" of the vacuum gauge reading.

Were any problems found?

Yes

- Go to 4
- Perform the PCM Verification Test.Powertrain Verification Test

No

- Go to 3

3. MANIFOLD ABSOLUTE PRESSURE SENSOR VOLTAGE
With the scan tool, monitor the Manifold Absolute Pressure Sensor signal voltage.
With the engine idling in neutral or park, snap the throttle.

NOTE: The Manifold Absolute Pressure Sensor signal voltage should change from below 2.0 volts at idle to above 3.5 volts at wide open throttle.

Were any problems found?

Yes

- Go to 4
- Perform the PCM Verification Test.Powertrain Verification Test

No

- Test complete.

4. 5 VOLT SUPPLY CIRCUIT HIGH RESISTANCE
Turn the ignition off.
Using a voltmeter, perform a voltage drop test by backprobing the 5 Volt Supply circuit at the Manifold Absolute Pressure Sensor harness connector and by probing the appropriate terminal of the PCM harness connector. Make sure the voltmeter leads are connected so that positive polarity is displayed on the voltmeter.

WARNING: When the engine is operating, do not stand in direct line with the fan. Do not put your hands near the pulleys, belts, or fan. Do not wear loose clothing. Failure to follow these instructions can result in personal injury or death.

Start the engine.
Is the voltage below 0.5 volts?

Yes

- Go to 5

No

- Repair the 5 Volt Supply circuit for excessive resistance.
- Perform the PCM Verification Test.Powertrain Verification Test

5. MAP SIGNAL CIRCUIT HIGH RESISTANCE
Turn the ignition off.
Using a voltmeter, perform a voltage drop test by backprobing the MAP Signal circuit at the Manifold Absolute Pressure Sensor harness connector and by probing the appropriate terminal of the PCM harness connector. Make sure the voltmeter leads are connected so that positive polarity is displayed on the voltmeter.

WARNING: When the engine is operating, do not stand in direct line with the fan. Do not put your hands near the pulleys, belts, or fan. Do not wear loose clothing. Failure to follow these instructions can result in personal injury or death.

Start the engine.
Is the voltage below 0.5 volts?

Yes

- Go to 6

No

- Repair the MAP Signal circuit for excessive resistance.
- Perform the PCM Verification Test.Powertrain Verification Test

6. SENSOR GROUND CIRCUIT HIGH RESISTANCE
Turn the ignition off.
Using a voltmeter, perform a voltage drop test by backprobing the Sensor Ground circuit at the Manifold Absolute Pressure Sensor harness connector and by probing the appropriate terminal of the PCM harness connector. Make sure the voltmeter leads are connected so that positive polarity is displayed on the voltmeter.

WARNING: When the engine is operating, do not stand in direct line with the fan. Do not put your hands near the pulleys, belts, or fan. Do not wear loose clothing. Failure to follow these instructions can result in personal injury or death.

Start the engine.
Is the voltage below 0.5 volts?

Yes

- Go to 7

No

- Repair the Sensor Ground circuit for excessive resistance.
- Perform the PCM Verification Test.Powertrain Verification Test

7. MANIFOLD ABSOLUTE PRESSURE SENSOR
Using the wiring diagram/schematic as a guide, inspect the wiring and connectors between the Manifold Absolute Pressure Sensor and the Powertrain Control Module (PCM).
Look for any chafed, pierced, pinched, or partially broken wires.
Look for broken, bent, pushed out or corroded terminals.
Search for any Technical Service Bulletins that may apply.
Were any problems found?

Yes

- Repair as necessary.
- Perform the PCM Verification Test.Powertrain Verification Test

No

- Replace the Manifold Absolute Pressure Sensor.
- Perform the PCM Verification Test.Powertrain Verification Test