Curiosii for ever!
: Car repair manuals for everyone.
Home
>>
Dodge or Ram Truck
>>
2000
>>
Durango 2WD V8-5.2L VIN Y
>>
Repair and Diagnosis
>>
Diagrams
>>
Electrical Diagrams
>>
Powertrain Management
>>
Computers and Control Systems
>>
Engine Control Module
>>
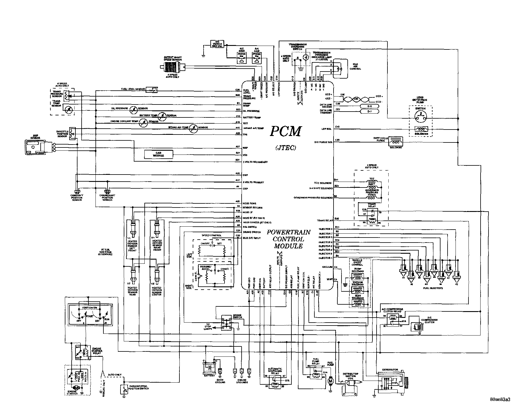
System Schematic
System Schematic
2000 Dodge JTEC System: