Curiosii for ever!
: Car repair manuals for everyone.
Home
>>
Dodge or Ram Truck
>>
2000
>>
Durango 2WD V8-5.2L VIN Y
>>
Repair and Diagnosis
>>
Diagrams
>>
Electrical Diagrams
>>
Powertrain Management
>>
Computers and Control Systems
>>
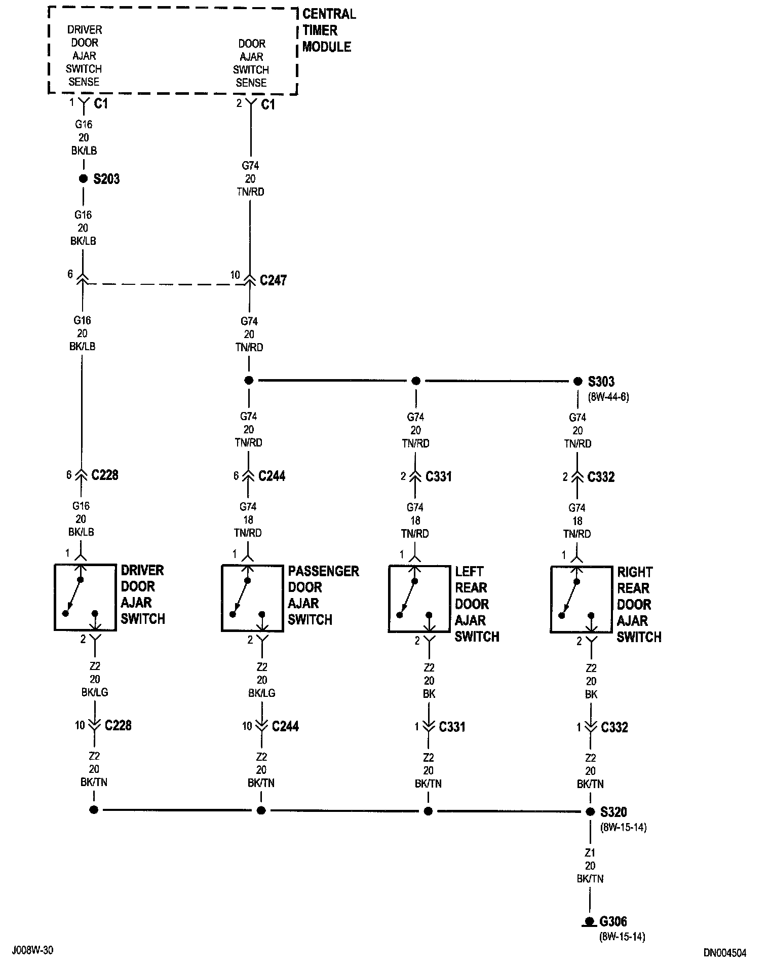
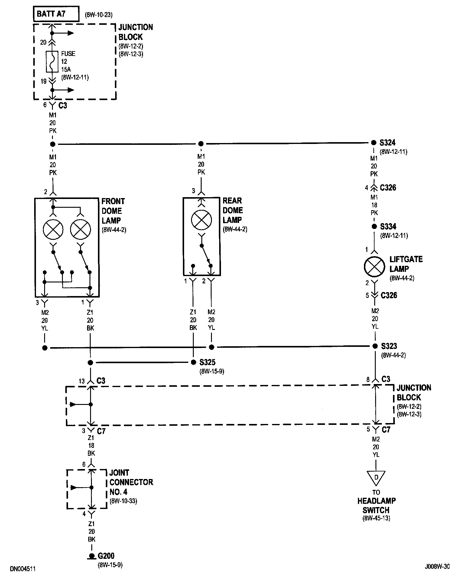
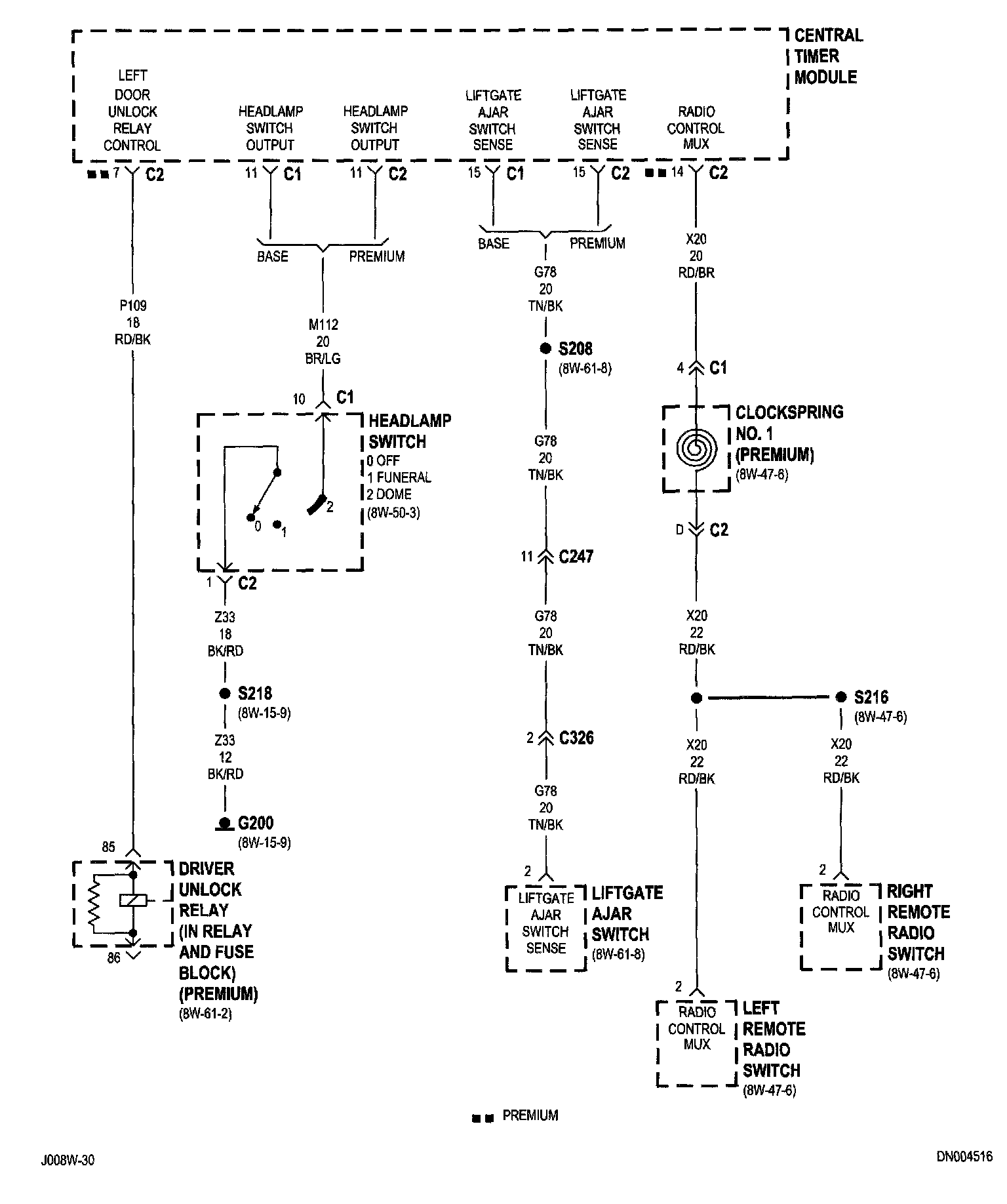
Body Control Module
>>
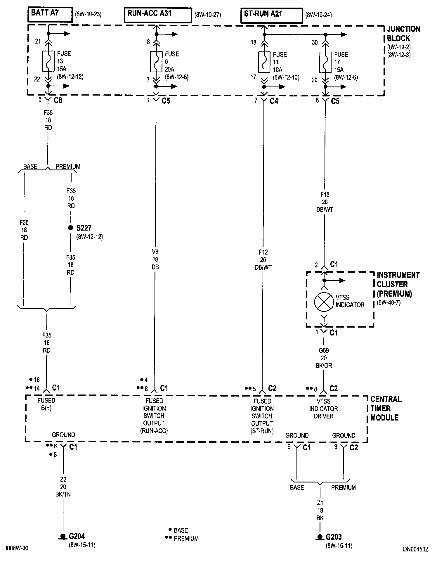
Base
Base
8w-45-2:
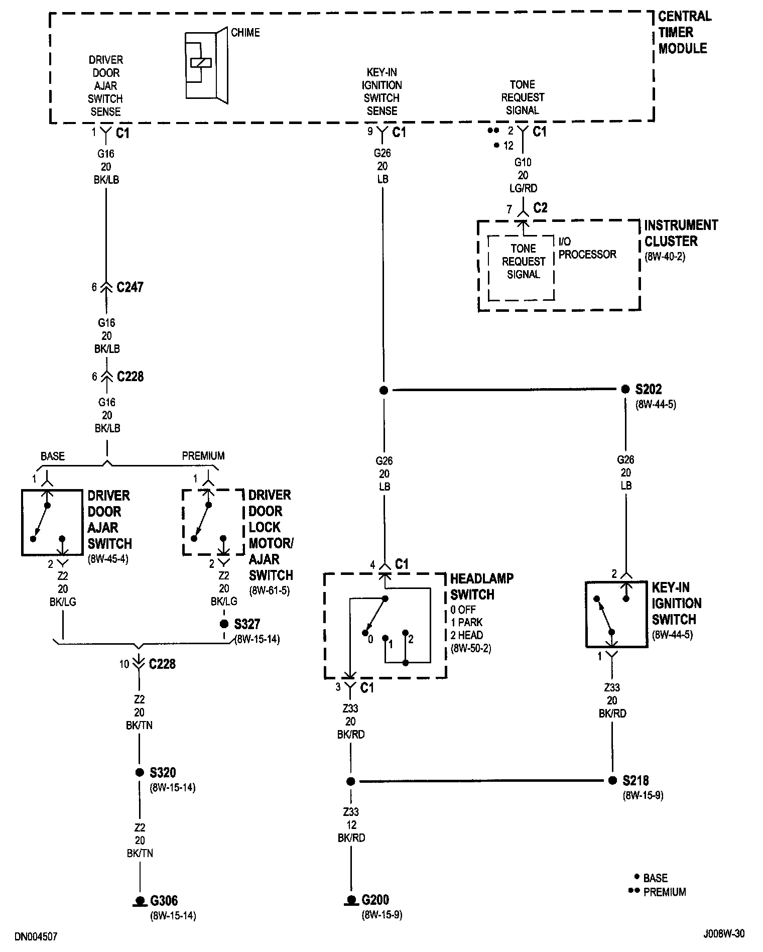
8w-45-4 - Base:
8w-45-7:
8w-45-8:
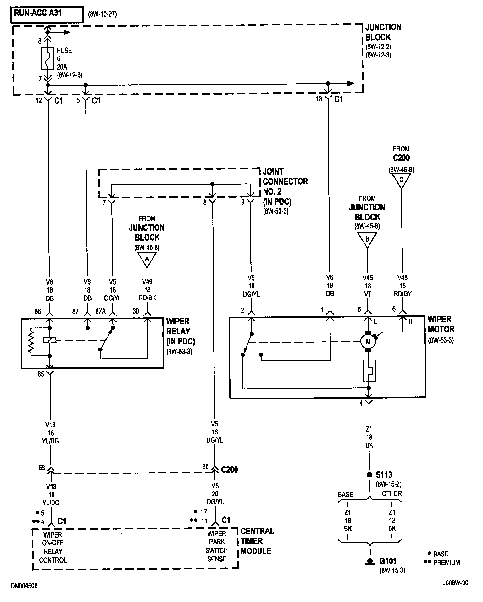
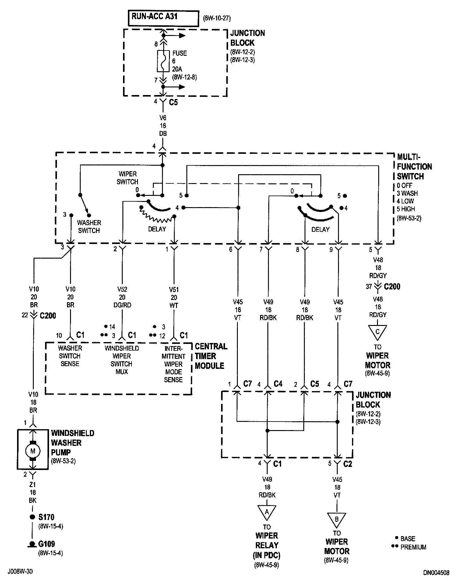
8w-45-9:
8w-45-11 - Base:
8w-45-13:
8w-45-16:
NOTE:
To view sheets referred to in these diagrams, see
Complete Body and Chassis Diagrams
.
Electrical Diagrams