Curiosii for ever!
: Car repair manuals for everyone.
Home
>>
Dodge or Ram Truck
>>
1996
>>
Caravan V6-201 3.3L
>>
Repair and Diagnosis
>>
Transmission and Drivetrain
>>
Automatic Transmission/Transaxle
>>
Control Module
>>
Locations
>>
Power Distribution Center
Power Distribution Center
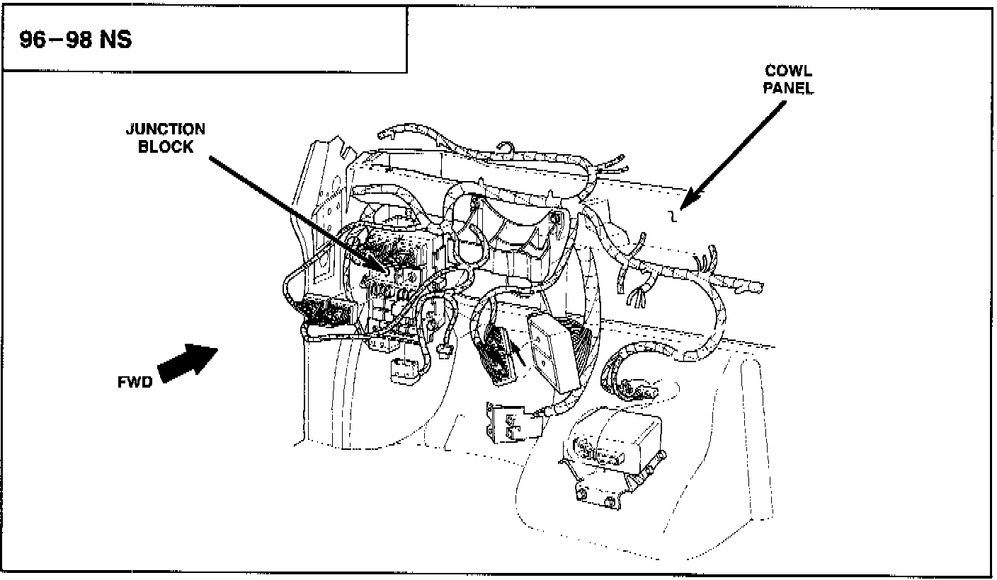
Junction Block:
Power Distribution Center:
Fuse Block: