Curiosii for ever!: Car repair manuals for everyone.

Transaxle Range Sensor - Service Information

NO: 21-14-95

GROUP: Transmission

DATE: Sep. 1, 1995

SUBJECT:
Interim Transaxle Range Sensor (TRS) Service Information

MODELS:
1996 (NS) Town & Country/Caravan/Voyager

DISCUSSION:

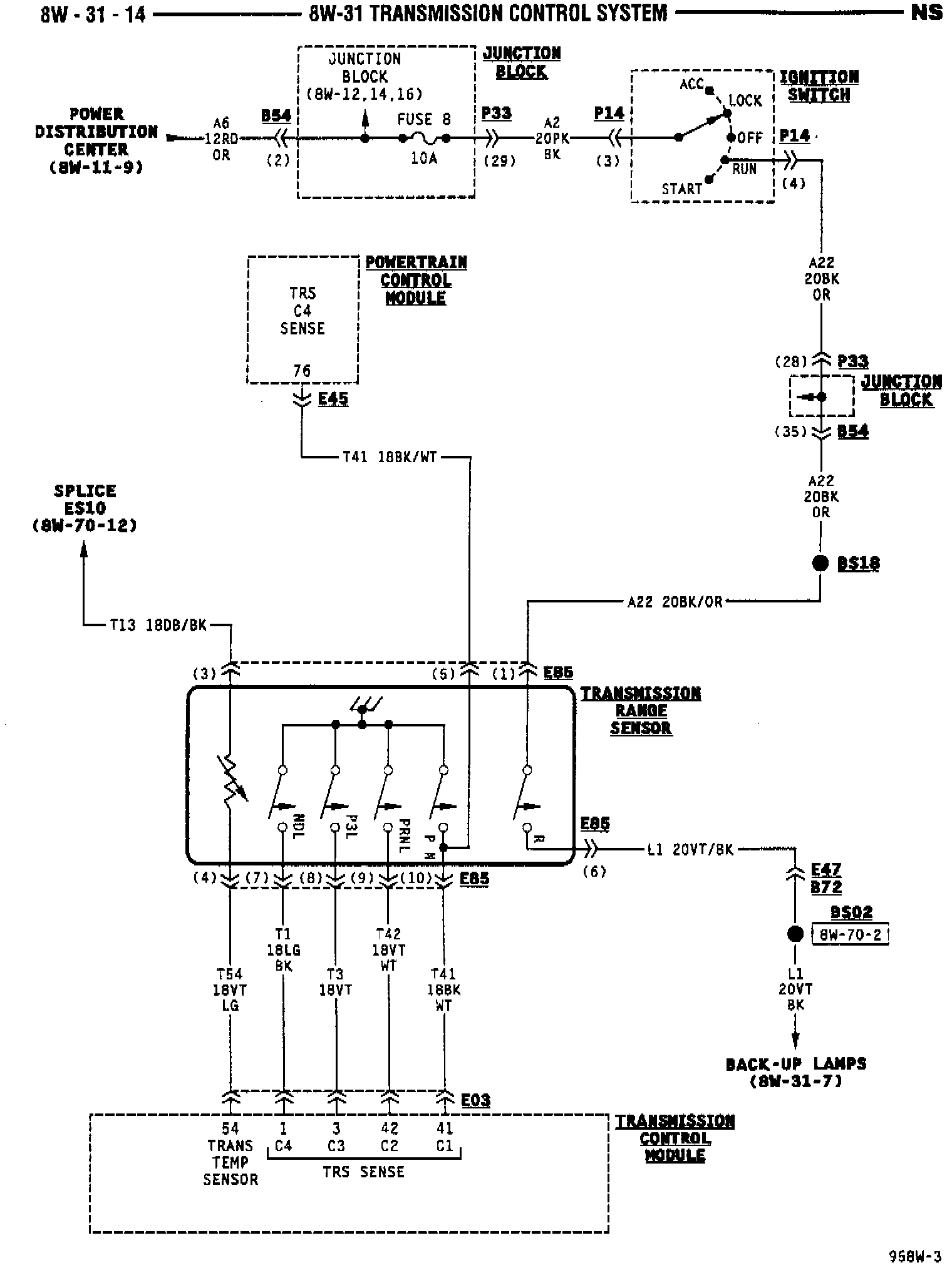
During the week of June 5, 1995, a running change was made to St. Louis built vehicles equipped with 41TE transaxles that incorporated a Transaxle Range Sensor (TRS). All other 1996 vehicles equipped with 41TE transaxles are equipped with a TRS, and are documented as such in their respective service publications. Because of this running change, all of the related service information was not able to be included in the initial NS service and 41TE diagnostic manuals.

A supplement to the 1996 NS service manual is currently in process to cover all of the changes that were made to the vehicle since the time the manual was originally developed. The supplement, Publication No. 81-370-6105A is still in development and will arrive in dealerships in October. The 41TE transaxle diagnostic manual is being revised to include the TRS information and additional 1996 vehicles. The new Publication No. will be 81-699-95014 and will arrive in dealerships in late September.

To avoid confusion in the field regarding TRS, this bulletin provides wiring diagrams from the 1996 NS service manual supplement and diagnostic flow charts from the new 41TE transaxle diagnostic manual that relate to the TRS. When the new manuals arrive at the dealerships, this bulletin will no longer be required.




Test 5B Failed Shift Lever Test




Test 25B Repairing TRS C3 Sense Circuit




Test 26B Repairing TRS C4 Sense Circuit

=��":




Test 27B Repairing TRS C1 Sense Circuit




Test 28B Repairing TRS C2 Sense Circuit




Test 29B Repairing TRS C1 Sense Circuit




Test30B Repairing TRS C@ Sense Circuit




Test 31B Repairing TRS C4 Sense Circuit




Test 32B Repairing TRS C3 Sense Circuit




Transmission Control System










Splice Information










Connector Pin-Outs

Included with this bulletin are Diagnostic pages for tests 5, 25, 26, 27, 28, 29, 30, 31, and 32. Also included are wiring diagram pages 8W-3-14, 8W-70-2, 8W-70-6 8W-70-1 2, 8W-80-33, 8W-80-34, AND 8W-80-49.

POLICY: Information Only