Curiosii for ever!
: Car repair manuals for everyone.
Home
>>
Dodge or Ram Truck
>>
1995
>>
Caravan V6-201 3.3L
>>
Repair and Diagnosis
>>
Diagrams
>>
Connector Views
>>
Fuse Block
>>
Power Distribution Block
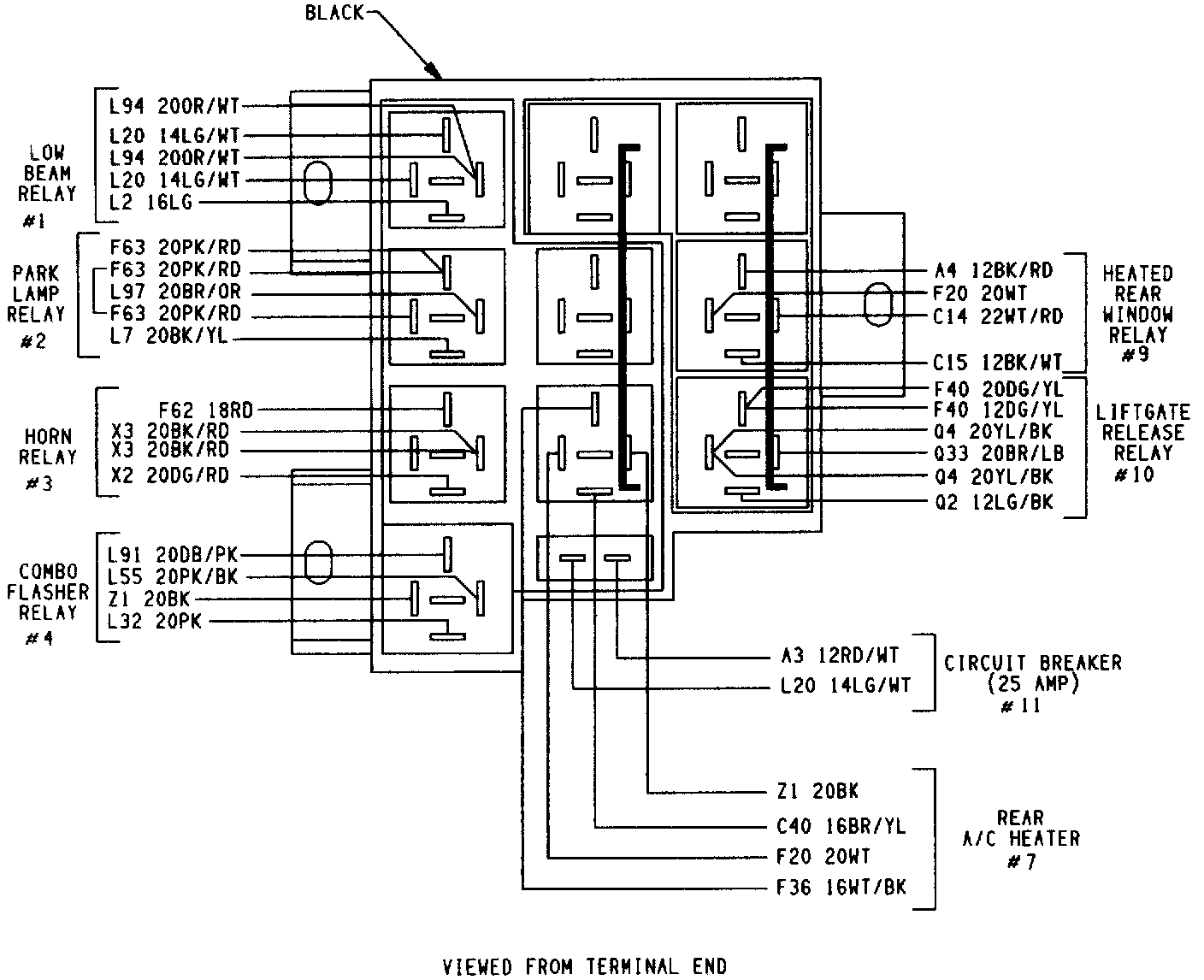
Power Distribution Block
Power Distribution Center (Part 1 Of 2):
Relay Location Wire End View:
NOTE:
To view sheets referred to in these Diagrams, see
Diagram Information and Instructions/Complete Body and Chassis Diagrams