Curiosii for ever!: Car repair manuals for everyone.

Control Assembly: Service and Repair



A/C AND HEATER CONTROL / BLOWER SWITCH

REMOVAL

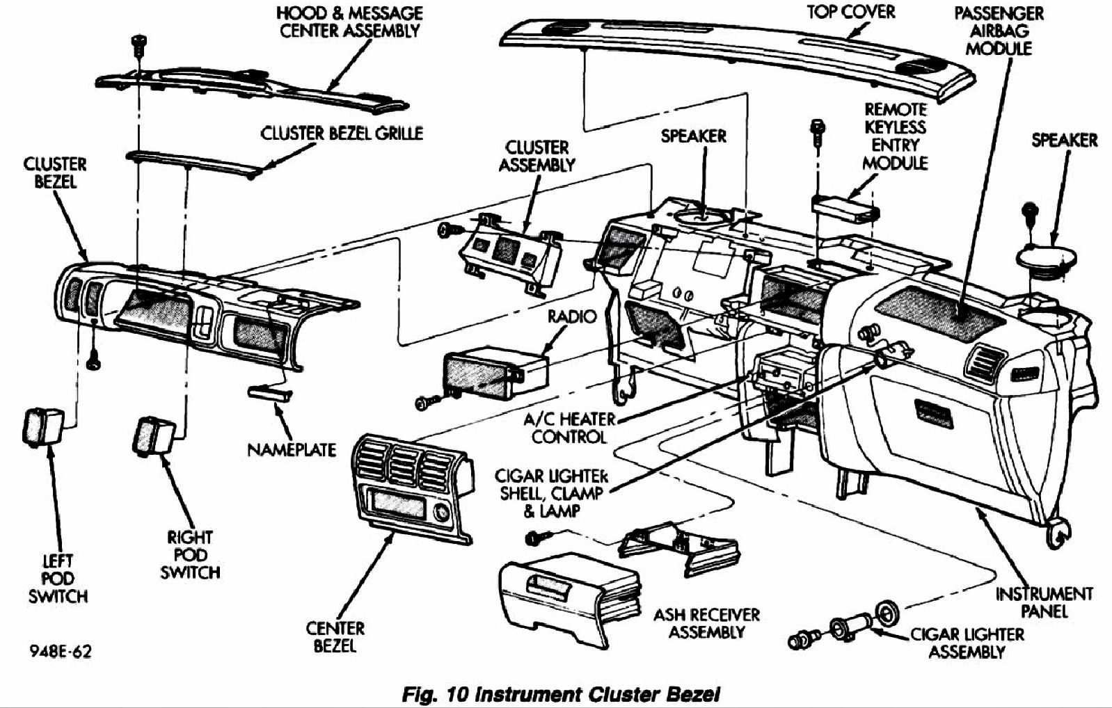
(1) Remove the Center Instrument Panel Cluster Bezel.

(2) Remove cigar lighter element.

(3) Remove two screws and pull control assembly rearward. Reach behind control and disconnect the wiring harnesses, vacuum lines and temperature control cable (Fig. 1O) Remove switch.






(4) For installation reverse above procedures.