Curiosii for ever!: Car repair manuals for everyone.

Brake/Transmission Shift Interlock Mechanism - Installation







INSTALLATION










1. Install shift mechanism (1) to lower console. Install and torque mechanism-to-console base nuts to 12 Nm (105 in. lbs.).










2. Install gearshift cable (1) to mechanism.










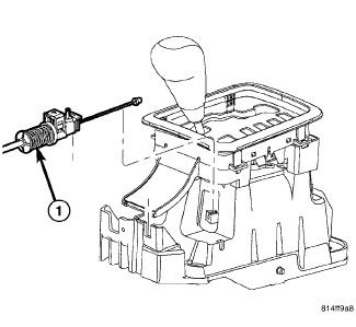
3. Install shift interlock cable (1) to mechanism.










4. Install shift interlock cable to mechanism.

5. Adjust shift interlock cable. Adjustments.

6. Install center console assembly (1).










7. Install PRNDL surround bezel (1).










8. Install gearshift bezel (1).