Curiosii for ever!: Car repair manuals for everyone.

Battery Cables - Installation







INSTALLATION

BATTERY HARNESS





1. Position the battery harness into the vehicle.

2. One at a time, install the battery harness retaining pushpins, fasteners and routing clips until the harness is installed exactly where it was in the vehicle.

3. Remove the Totally Integrated Power Module (TIPM) from the mounting bracket and turn upside down. Position the battery harness cable (2) onto the TIPM stud (3). Install the retaining nut (1) and tighten to 10 Nm (90 in. lbs.)





NOTE:
Diesel battery harness shown, gasoline battery harness similar.

4. On diesel engine equipped vehicles:

- Connect the glow plug module connector (14)

- Connect the cabin heater relay connectors (11 and 13)

- Connect the in-line connector to the instrument panel harness (12)

5. Install the remote positive battery terminal (2) onto the mounting bracket on the left strut tower (15) by pushing straight down until fully engaged.

6. Remove the cover (1) from the remote positive battery terminal (2). Position the starter harness positive cable (3) onto the remote positive battery post. Install the retaining nut (4) and tighten to 16.5 Nm (145 in. lbs.) Install the cover (1) onto the remote positive battery terminal (2).





7. Raise vehicle on hoist, Service and Repair.

8. On diesel engine equipped vehicles, connect the in-line connector to the instrument panel harness (2).

9. Install the battery, Battery - Installation.





10. Lower the vehicle.

11. Position the negative battery harness cable remote terminal (4) onto the remote battery post (1). Install the nut (5) and tighten to 16.5 Nm (145 in. lbs.)

STARTER HARNESS

WARNING:
To protect the hands from battery acid, a suitable pair of heavy duty rubber gloves should be worn when removing or servicing a battery. Safety glasses also should be worn.

WARNING:
Remove metallic jewelry to avoid injury by accidental arcing of battery current.





CAUTION:
The negative battery cable remote terminal (2) must be disconnected and isolated from the remote battery post (1) prior to service of the vehicle electrical systems. The negative battery cable remote terminal can be isolated by using the supplied isolation hole (3) in the terminal casing.





1. Remove and isolate the battery harness negative cable (4) on something other than the remote negative battery post (1).

2. Position the starter harness into the vehicle.

3. One at a time, install the starter harness retaining pushpins, fasteners and routing clips until the harness is installed exactly where it was in the vehicle.

4. Position the starter harness negative cable (2) onto the remote negative battery post (1). Install the retaining nut (3) and tighten to 16.5 Nm (145 in. lbs.)





Remove the cover (1) from the remote positive battery terminal (2). Position the starter harness positive cable (3) onto the remote positive battery post. Install the retaining nut (4) and tighten to 16.5 Nm (145 in. lbs.) Install the cover (1) onto the remote positive battery terminal (2).





5. Raise vehicle on hoist, Service and Repair.

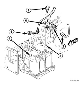
6. Position the starter harness positive cable (2) onto the starter positive battery post. Install the retaining nut (6) and tighten to 13 Nm (115 in. lbs.)

7. Position the starter harness negative cable (5) onto the engine block. Install the retaining bolt (4) and tighten to 16.5 Nm (145 in. lbs.)





8. Lower the vehicle.

9. Position the negative battery harness cable remote terminal (4) onto the remote battery post (1). Install the nut (5) and tighten to 16.5 Nm (145 in. lbs.)