Curiosii for ever!: Car repair manuals for everyone.

A/C Condenser - Installation







INSTALLATION

CAUTION:
Be certain to adjust the refrigerant oil level when servicing the A/C refrigerant system. Failure to properly adjust the refrigerant oil level will prevent the A/C system from operating as designed and can cause serious A/C compressor damage.

NOTE:
When replacing multiple A/C system components, see the Refrigerant Oil Capacities chart to determine how much oil should be added to the refrigerant system Refrigerant Oil Level .

NOTE:
If only the A/C condenser is being replaced, add 20 milliliters (0.7 fluid ounce) of refrigerant oil to the refrigerant system. Use only refrigerant oil of the type recommended for the A/C compressor in the vehicle.

NOTE:
Replacement of the refrigerant line O-ring seals and gaskets is required anytime a refrigerant line is disconnected. Failure to replace the rubber O-ring seals and metal gaskets could result in a refrigerant system leak.

NOTE:
Illustrations shown with front fascia removed for clarity.





1. Carefully lower the A/C condenser (1) straight down in front of the radiator (5) and engage the upper condenser brackets (4) to the radiator.

2. Connect the automatic transmission cooler lines (2) to the left side of the A/C condenser Service and Repair.

3. Raise and support the vehicle.

4. Install the two bolts (3) that secure the lower condenser brackets to the radiator. Tighten the bolts to 4.5 Nm (40 in. lbs.).





NOTE:
Reach up through the opening in the bottom of the front fascia located in the right front corner of the vehicle to gain access to the A/C liquid line.

5. Remove the tape or plug from the liquid line fitting and the condenser outlet port.

6. Lubricate a new rubber O-ring seal with clean refrigerant oil and install it and a new gasket onto the liquid line fitting. Use only the specified O-ring as it is made of a special material for the R-134a system. Use only refrigerant oil of the type recommended for the A/C compressor in the vehicle.

7. Connect the A/C liquid line (2) to the A/C condenser (1) and install the retaining nut (3). Tighten the nut to 25 Nm (18 ft. lbs.).





8. Lower the vehicle.

9. Remove the tape or plug from the discharge and jumper line fittings and the condenser inlet port.

10. Lubricate new rubber O-ring seals with clean refrigerant oil and install them and new gaskets onto the discharge and jumper line fittings. Use only the specified O-rings as they are made of a special material for the R-134a system. Use only refrigerant oil of the type recommended for the A/C compressor in the vehicle.

11. Carefully push the radiator (6) slightly rearward to gain access to the A/C condenser (3).

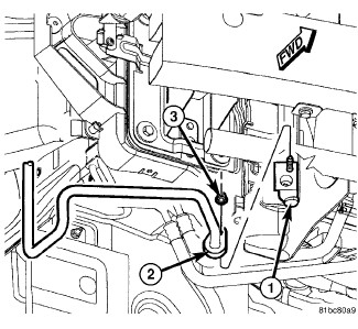
12. Connect the discharge jumper line (5) to the A/C condenser and loosely install the retaining nut (4).

13. Install the bolt (2) that secures the jumper line to the radiator. Tighten the bolt securely.

14. Tighten the nut that secures the discharge jumper line to the A/C condenser to 18 Nm (13 ft. lbs.).

15. Connect the A/C discharge line (7) to the jumper line and install the retaining nut (1). Tighten the nut to 18 Nm (13 ft. lbs.).

16. Reposition the radiator and install the upper radiator mounts Engine Cooling Radiator - Installation.

17. Reconnect the negative battery cable.

CAUTION:
Do NOT run the engine with a vacuum pump in operation or with a vacuum present within the A/C system. Failure to follow this caution will result in serious A/C compressor damage.

18. Evacuate the refrigerant system Refrigerant System Evacuate

19. If the A/C condenser is being replaced, add 20 milliliters (0.7 fluid ounce) of refrigerant oil to the refrigerant system. When replacing multiple A/C system components, see the Refrigerant Oil Capacities chart to determine how much oil should be added to the refrigerant system Refrigerant Oil Level. Use only refrigerant oil of the type recommended for the A/C compressor in the vehicle.

20. Charge the A/C system Refrigerant System Charge.