Curiosii for ever!: Car repair manuals for everyone.

Battery System - Description







DESCRIPTION





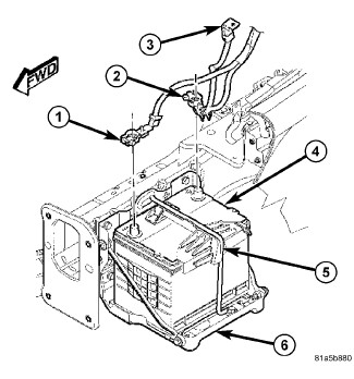
This vehicle is equipped with a single 12-volt battery. All of the components of the battery system are located in the front of the vehicle, just ahead of the left front wheel and tire assembly. The battery system for this vehicle contains the following components:

- Battery (4) - The storage battery provides a reliable means of storing a renewable source of electrical energy within the vehicle.

- Positive (2) and Negative (1) Battery Cables - The battery cables connect the positive and negative charged battery terminal posts to the vehicle electrical system.

- Battery Holddown (5) - The battery holddown hardware secures the battery in the battery tray.

- Battery Tray (6) - The battery tray provides a secure mounting location in the vehicle for the battery and an anchor point for the battery holddown hardware.





CAUTION:
The negative battery cable remote terminal (2) must be disconnected and isolated from the remote battery post (1) prior to service of the vehicle electrical systems. The negative battery cable remote terminal can be isolated by using the supplied isolation hole (3) in the terminal casing.

For battery system maintenance schedules, Maintenance.