Curiosii for ever!: Car repair manuals for everyone.

Wiper Arm Linkage - Installation






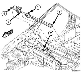
INSTALLATION





1. Connect wire connector (2) at motor.
2. Place assembly into position, install the three mounting bolts (1), Tighten bolts to 11 Nm (97 in. lbs.).
3. Install the cowl screen Cowl Panel Cover - Installation.
4. Install the wiper arms and blades Wiper Arm - Installation.
5. Connect the battery negative remote cable.
6. If necessary, adjust wiper arms Adjustments.