Curiosii for ever!: Car repair manuals for everyone.

Transmission Solenoid and Pressure Switch Assembly - Installation






INSTALLATION

NOTE: If the Solenoid/Pressure Switch assembly is being replaced, the Quick Learn Procedure must be performed. Quick Learn Procedure










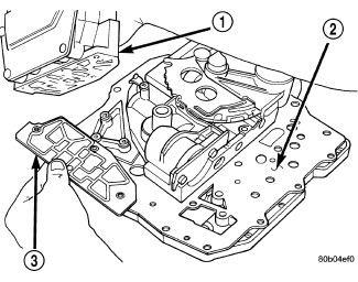
1. Install Solenoid/Pressure Switch Assembly (1) and screen (3) to the separator and transfer plates.










2. Install and tighten retaining screws (2) to 5.5 Nm (50 in. lbs.) torque.
3. Install valve body. Valve Body - Installation