Curiosii for ever!: Car repair manuals for everyone.

No Response From PCM (Powertrain Control Module) - GPEC






NO RESPONSE FROM PCM (POWERTRAIN CONTROL MODULE) - GPEC





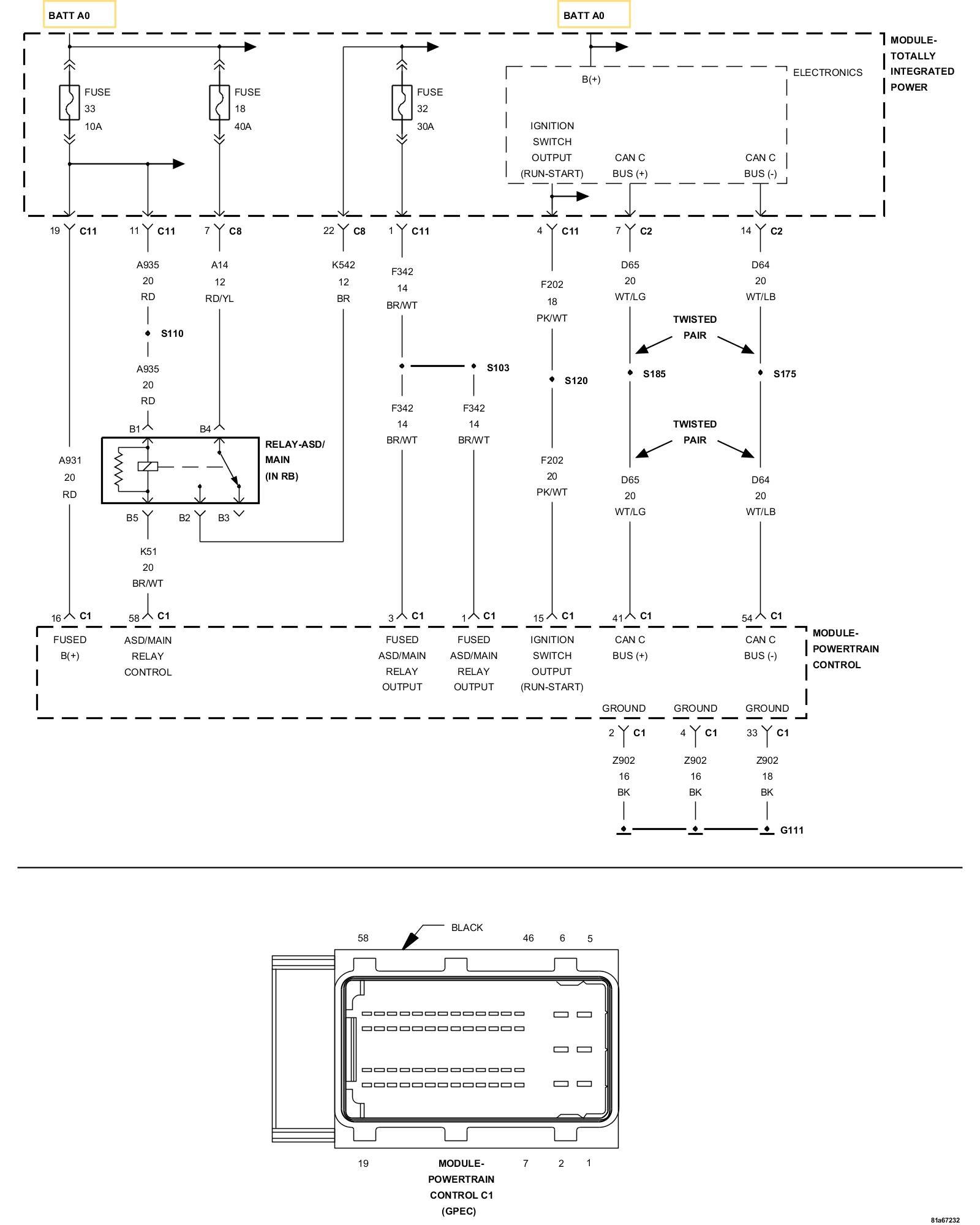
For a complete wiring diagram, refer to the wiring information Electrical Diagrams.






1. TEST FOR INTERMITTENT CONDITION

NOTE: Check for any TSB(s) related to the condition. If a TSB applies, perform the procedure outlined in the TSB before continuing.

1. Turn the ignition on.

NOTE: Ensure the IOD fuse is installed and battery voltage is between 10.0 and 16.0 volts.

2. With the scan tool, select ECU view.

NOTE: A red "X" will be next to the module that is not communicating, indicating that the module is not active on the Bus network. A green check indicates that the module is active on the Bus network.

NOTE: Check the TIPM for any active CAN C hardware DTCs, perform DTC before proceeding.

Does the scan tool display a red "X" next to the module?

Yes

- Go To 2

No

- The no response condition is not present at this time. Using the wiring diagram/schematic as a guide, inspect the wiring for chafed, pierced, pinched, and partially broken wires and the wiring harness connectors for broken, bent, pushed out, and corroded terminals.

2. (A931) FUSED B(+) CIRCUIT OPEN OR SHORTED




1. Turn the ignition off.
2. Disconnect the PCM C1 harness connector.
3. Using a 12-volt test light connected to ground, check the (A931) Fused B(+) circuit.

Does the test light illuminate brightly?

Yes

- Go To 3

No

- Repair the (A931) Fused B(+) circuit for an open or short.
- Perform the POWERTRAIN VERIFICATION TEST. . PCM Verification Test

3. (Z902) GROUND CIRCUIT OPEN




1. Using a 12-volt test light connected to 12-volts, check the (Z902) ground circuit.

Does the test light illuminate brightly?

Yes

- Go To 4

No

- Repair the (Z902) ground circuit for an open.
- Perform the POWERTRAIN VERIFICATION TEST. . PCM Verification Test

4. (F202) IGNITION SWITCH OUTPUT CIRCUIT OPEN OR SHORTED




1. Turn the ignition on.
2. Using a 12-volt test light connected to ground, check the (F202) Ignition Switch Output circuit.

Does the test light illuminate brightly?

Yes

- Go To 5

No

- Repair the (F202) Ignition Switch Output circuit for an open or short.
- Perform the POWERTRAIN VERIFICATION TEST. . PCM Verification Test

5. (D65) CAN C BUS (+) CIRCUIT OPEN




1. Turn the ignition off.
2. Disconnect the TIPM C2 harness connector.
3. Measure the resistance of the (D65) CAN C Bus (+) circuit between the TIPM C2 harness connector and the PCM C1 harness connector.

Is the resistance below 5.0 ohms?

Yes

- Go To 6

No

- Repair the (D65) CAN C Bus (+) circuit for an open.
- Perform the POWERTRAIN VERIFICATION TEST. . PCM Verification Test

6. (D64) CAN C BUS (-) CIRCUIT OPEN




1. Measure the resistance of the (D64) CAN C Bus (-) circuit between the TIPM C2 harness connector and the PCM C1 harness connector.

Is the resistance below 5.0 ohms?

Yes

- Replace and program the Powertrain Control Module.
- Perform the POWERTRAIN VERIFICATION TEST. . PCM Verification Test

No

- Repair the (D64) CAN C Bus (-) circuit for an open.
- Perform the POWERTRAIN VERIFICATION TEST. . PCM Verification Test