Curiosii for ever!: Car repair manuals for everyone.

Engine - Installation







INSTALL

1. Install the engine and support it with a suitable lifting device or support fixture.
2. Install ground strap to the hood and position the hood back.




3. Install 3 right engine mount bolts.
4. Install the transmission Installation.
5. Disconnect the lifting chains from engine lift.
6. Remove the engine lifting chains.
7. Remove special tool #8334, engine lifting bracket from the engine.




8. Install the power steering pressure (1) and supply hoses (2) to the power steering pump (3).
9. Install the fan module Radiator Fan - Installation.
10. Install starter motor and dust shield, connect starter motor electrical connectors Starter Motor - Installation.




11. Install the lower coolant hose (1).
12. Install the front maniverter Exhaust Manifold - Installation.




13. Install the A/C discharge line (3) to the condenser (4).
14. Connect the A/C pressure transducer harness connector (1).




15. Connect both A/C lines (1 & 2) to the A/C compressor (3).




16. Connect the upper radiator hose to the thermostat housing.




17. Connect the coolant reservoir overflow hose (2) to the coolant bottle (4).




18. Connect the heater core supply hose (1) to the intake manifold outlet (2).




19. Connect the 2 PCM harness connectors (1).




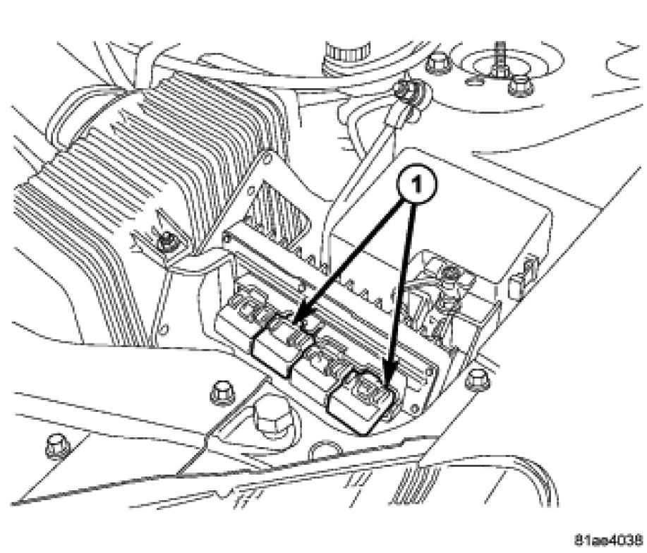
20. Connect the positive and negative auxiliary battery post cables.




21. Install the crankshaft position sensor (3).
22. Install the crankshaft position sensor hold down bolt (1).
23. Connect the crankshaft position sensor harness connector (2).
24. Raise the vehicle.




25. Install the left front splash shield.
26. Install the left front half shaft Half Shaft - Installation.




27. Install the front engine mount bracket (2) Front Engine Mount.




28. Install the front closeout panel.
29. Install the left forward splash shield.
30. Install the right forward splash shield.
31. Install the PTU Installation.
32. Install the rear maniverter Exhaust Manifold - Installation.
33. Install the left half shaft Half Shaft - Installation.
34. Install the cross under pipe Cross Pipe - Installation.




35. Install the center brace (1) Service and Repair.




36. Install the exhaust extension pipe (1) and gasket (2) to the crossunder pipe (3).




37. Install the belly pan (2) and the 12 belly pan fasteners (1).
38. Lower the vehicle.




39. Connect the fuel line to the fuel rail.




40. Install the Upper intake manifold Intake Manifold - Installation.




41. Install the air filter housing Air Cleaner Housing - Installation.




42. Connect negative battery cable (1)Battery Reconnection.
43. Charge the refrigerant system Refrigerant System Charge.
44. Fill the cooling system Service and Repair.
45. Install the engine cover.