Curiosii for ever!: Car repair manuals for everyone.

Wiper Module - Installation







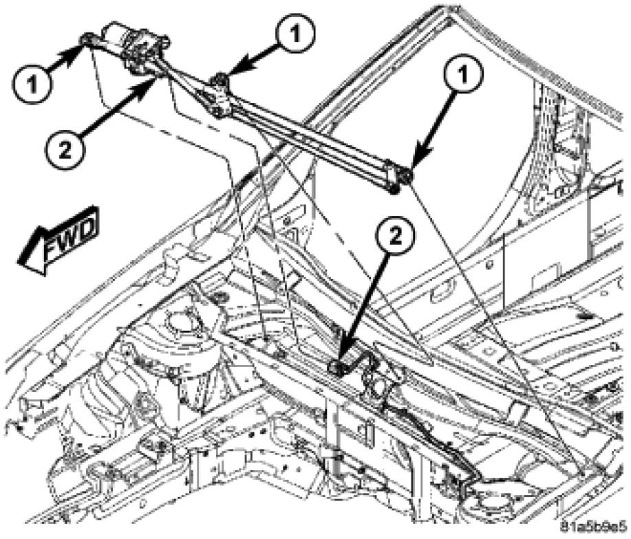
INSTALLATION





1. Connect wire connector (2) at motor.
2. Place assembly into position, install the three mounting bolts (1), Tighten bolts to 11 Nm (97 in. lbs.).
3. Install the cowl screen Installation.
4. Install the wiper arms and blades Wiper Arms - Installation.
5. Connect the battery negative remote cable.
6. If necessary, adjust wiper arms Adjustments.