Curiosii for ever!: Car repair manuals for everyone.

Battery Tray - Installation







INSTALLATION

WARNING:
To protect the hands from battery acid, a suitable pair of heavy duty rubber gloves should be worn when removing or servicing a battery. Safety glasses also should be worn.


WARNING: Remove metallic jewelry to avoid injury by accidental arcing of battery current.





CAUTION: The negative battery cable remote terminal (2) must be disconnected and isolated from the remote battery post (1) prior to service of the vehicle electrical systems. The negative battery cable remote terminal can be isolated by using the supplied isolation hole (3) in the terminal casing.





1. Transfer the front battery tray support to the replacement battery tray. Install the bolts and tighten to 16 Nm (142 in. lbs.)
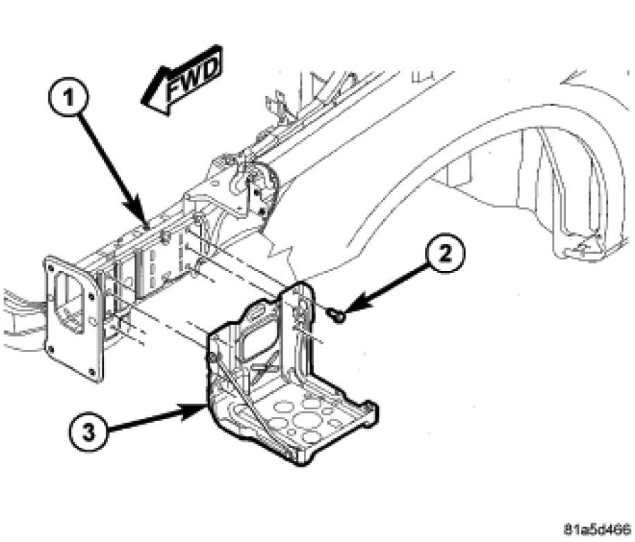
2. Position the battery tray (3) onto the left front frame rail (1).
3. Install the bolts (2) securing the battery tray (3) to the frame rail (1).
4. Tighten the bolts to 16 Nm (142 in. lbs.)
5. Install the battery, Battery - Installation.
6. Install the negative battery cable remote terminal onto the remote battery post. Tighten the nut to 16.5 Nm (145 in. lbs.)