Antitheft and Alarm Systems
PLEASE NOTE: Some diagrams may appear to be missing because of gaps in the number sequences. These "gaps" are actually for diagrams that do not apply to the vehicle model selected.8w-39-02:
8w-39-03:
8w-39-04:
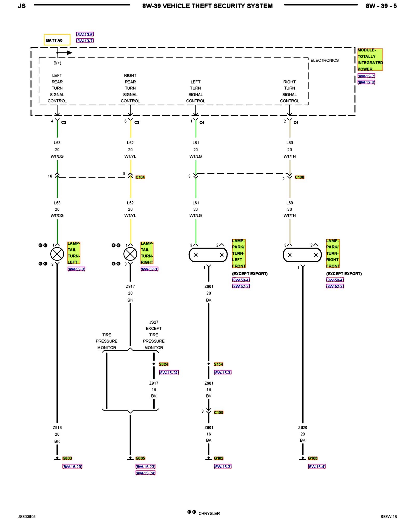
8w-39-05:
8w-39-06:
8w-39-07:
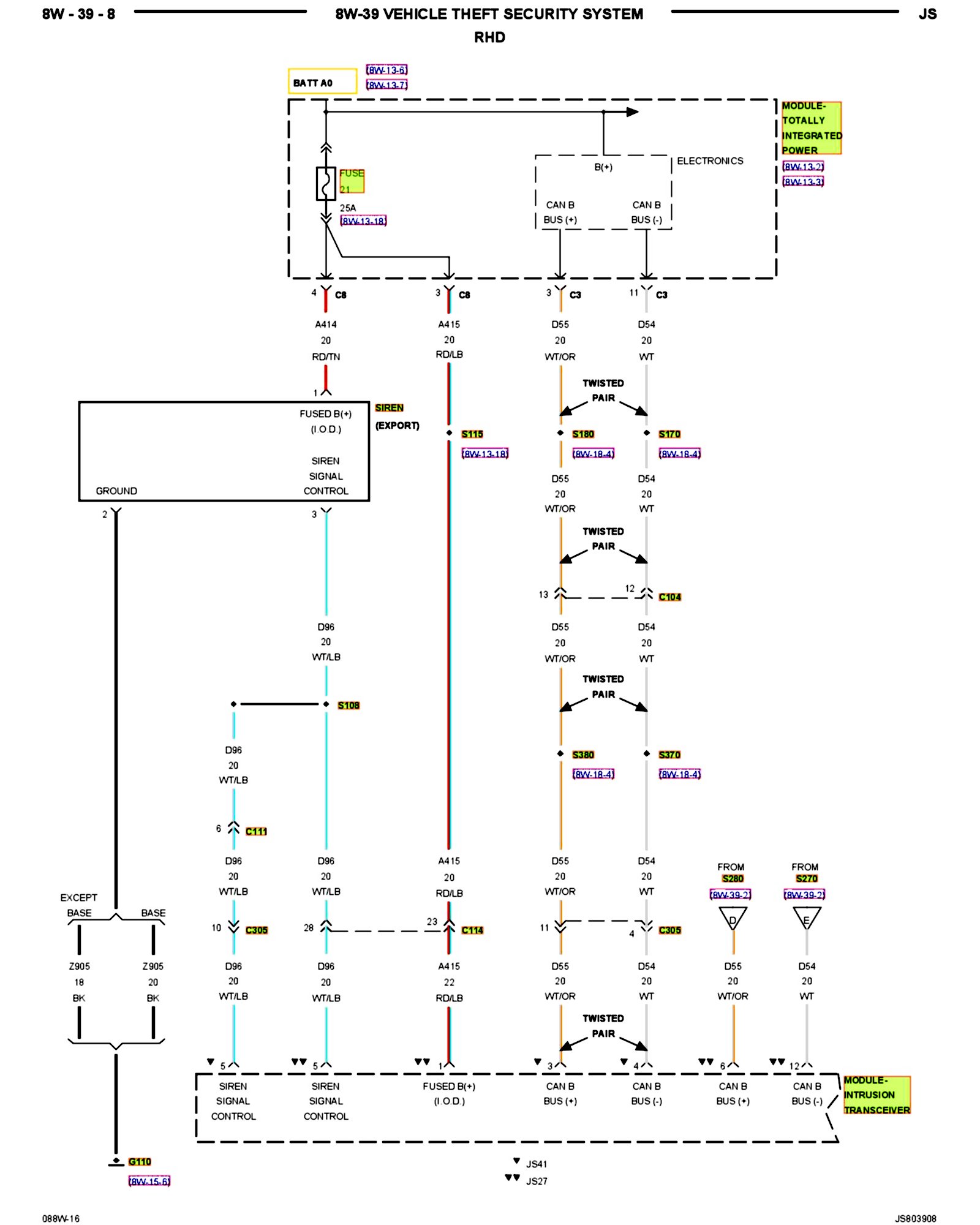
8w-39-08:
8w-39-09:
8w-39-10:
Other Diagrams: Other diagrams referred to by number (i.e. 8W-70-2, etc.) within these diagrams can be found at the vehicle level under Diagrams by Number. Diagrams By Number