Curiosii for ever!: Car repair manuals for everyone.

Antilock Brakes / Traction Control Systems

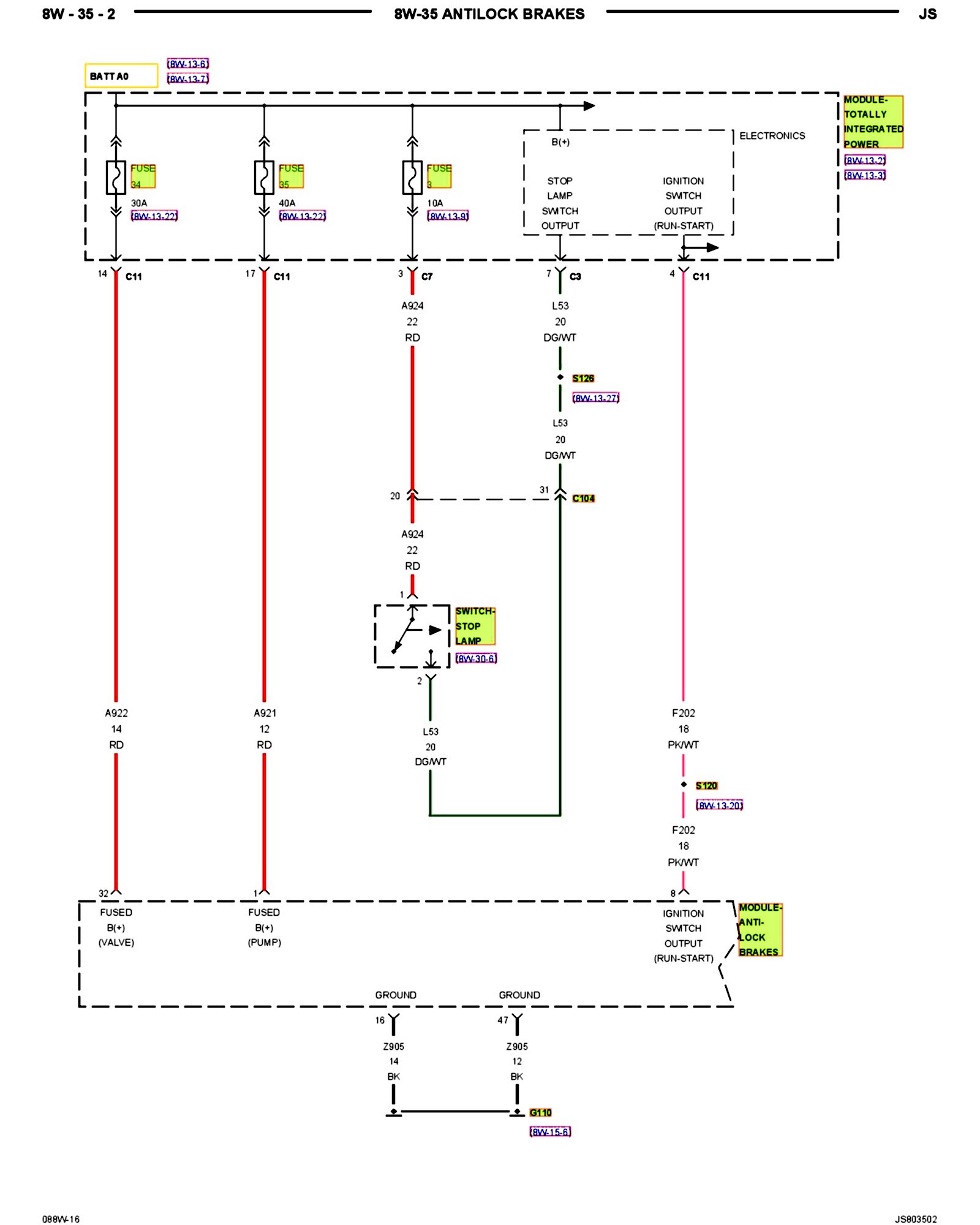
PLEASE NOTE: Some diagrams may appear to be missing because of gaps in the number sequences. These "gaps" are actually for diagrams that do not apply to the vehicle model selected.


8w-35-02:






8w-35-03:






8w-35-04:






8w-35-05:






Other Diagrams: Other diagrams referred to by number (i.e. 8W-70-2, etc.) within these diagrams can be found at the vehicle level under Diagrams by Number. Diagrams By Number