Curiosii for ever!: Car repair manuals for everyone.

Installation







INSTALLATION

FRONT IMPACT SENSOR





1. Position sensor in vehicle.
2. Connect electrical connector (4).
3. Through the headlamp opening, install the two mounting screws (1) retaining the front impact sensor (2). Tighten screws to 8.5 Nm (75 in. lbs.).
4. Install the front lamp unit on the side in which you are replacing the sensor Front Lamp Unit - Installation

WARNING: Do not connect the battery negative cable.Refer to appropriate testing. Personal injury may result if the system test is not performed first.

5. Close hood.

SIDE IMPACT SENSORS

FIRST ROW - B-PILLAR MOUNTED





1. Position sensor (1) in vehicle.
2. Connect the electrical connector (3).
3. Install the two retaining screws (2) to the impact sensor (1). Tighten screws to 7 Nm (62 in. lbs.).
4. Install the B-pillar lower trim for the side of the vehicle that you are replacing the side impact sensor B-Pillar Trim.

WARNING: Do not connect the battery negative cable Refer to appropriate testing. Personal injury may result if the system test is not performed first.

5. Close hood.
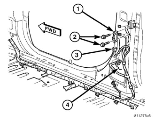
SECOND ROW - C-PILLAR MOUNTED





6. Position sensor (3) in vehicle.
7. Connect the electrical connector (1).
8. Install the two retaining screws (2) to the impact sensor (3). Tighten screws to 7 Nm (62 in. lbs.).
9. Install the quarter trim panel for the side of the vehicle that you are replacing the side impact sensor Console Shifter Bezel - Installation.

WARNING: Do not connect the battery negative cable Refer to appropriate testing. Personal injury may result if the system test is not performed first.

10. Close hood.