Curiosii for ever!: Car repair manuals for everyone.

Checking the Charging System Operation







*CHECKING THE CHARGING SYSTEM OPERATION





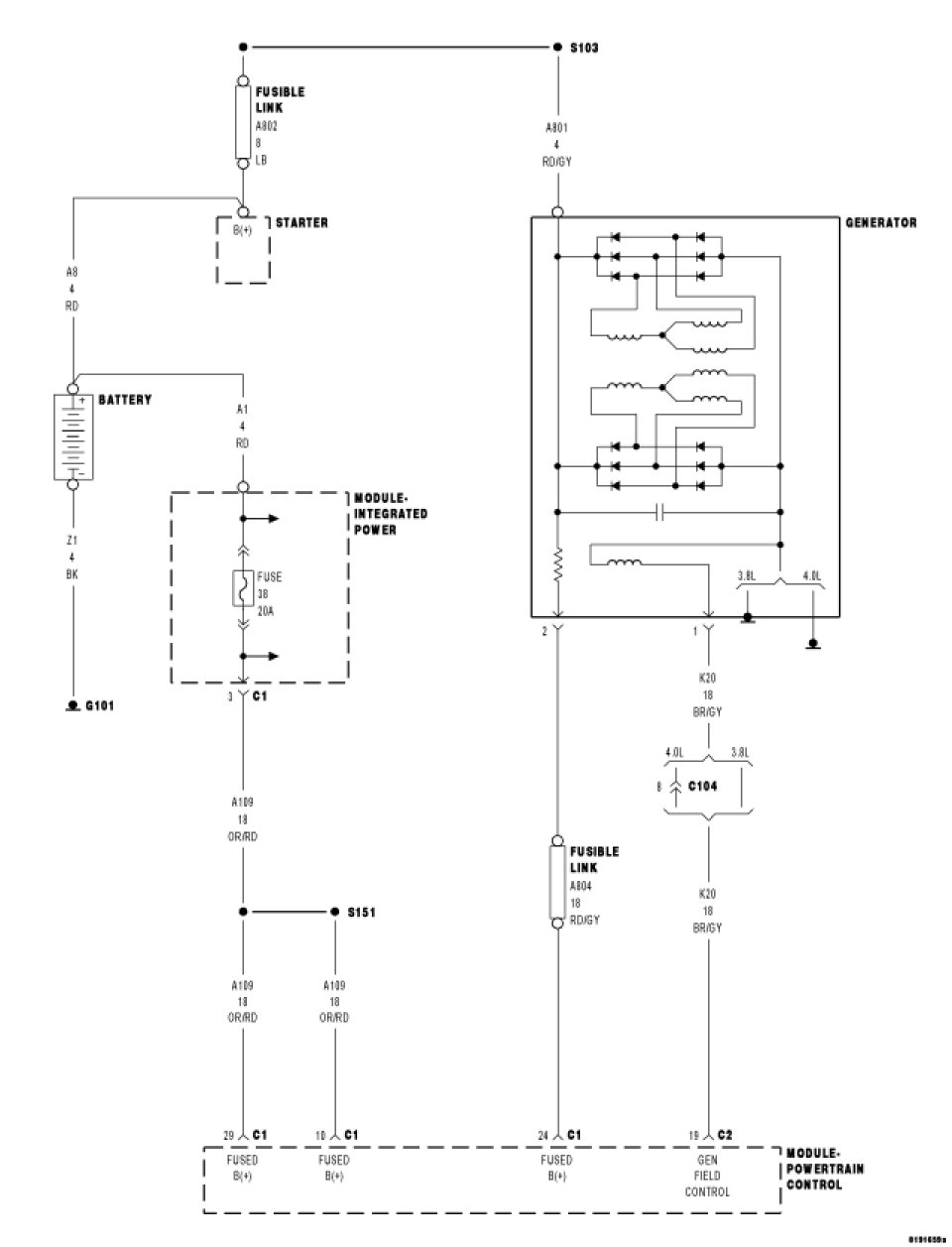
For a complete wiring diagram Consult Diagrams/Electrical.

Diagnostic Test

1. GENERATOR FULL FIELD TEST

NOTE: Diagnose and repair any generator sense or field control circuit DTCs before proceeding with this test.

Start the engine and allow it to reach operating temperature.

WARNING: When the engine is operating, do not stand in direct line with the fan. Do not put your hands near the pulleys, belts, or fan. Do not wear loose clothing. Failure to follow these instructions can result in personal injury or death.

With the scan tool, perform the Generator Full Field test. Follow the instructions displayed on the scan tool.
Monitor the system (battery) voltage and the generator sense voltage on the scan tool while performing the test.

NOTE: With the engine running, the difference between the system (battery) voltage and the generator sense voltage should be below.2 volts.

NOTE: With the generator field fully actuated, the system (battery) voltage should be above 14.0 volts.

NOTE: With the generator field actuated off, the system (battery) voltage should be below 13.0 volts, and eventually drop as battery load is increased.

Did the system voltage change as described above during the Generator Full Field test?

Yes

- Test complete.

No

- Go to 2

2. CHARGING SYSTEM INSPECTION
Inspect and test the battery.
Inspect the generator drive belt for proper alignment and adjustment.
Inspect the vehicle for aftermarket accessories that may exceed the generator system output.
Inspect the fuses in the IPM. If an open fuse is found, use the wire diagram/schematics as a guide and inspect the wiring and connectors for a damaged or shorted circuit.
Were any problems found?

Yes

- Repair as necessary.

No

- Go to 3

3. BATTERY POSITIVE (+) CIRCUIT HIGH RESISTANCE

NOTE: Make sure all testing equipment and cables are clear of any engine parts before starting the engine.

Start the engine.

WARNING: When the engine is operating, do not stand in direct line with the fan. Do not put your hands near the pulleys, belts, or fan. Do not wear loose clothing. Failure to follow these instructions can result in personal injury or death.

Measure the voltage between the B (+) Terminal at the Generator and the Battery Positive (+) Post.
Is the voltage below 0.4 volts?

Yes

- Go to4

No

- Repair the battery positive (+) circuit between the generator and battery for high resistance.
- Perform the PCM Verification Test.Powertrain Verification Test

4. GENERATOR CASE GROUND HIGH RESISTANCE

NOTE: Make sure all testing equipment and cables are clear of any engine parts before starting the engine.

Start the engine.

WARNING: When the engine is operating, do not stand in direct line with the fan. Do not put your hands near the pulleys, belts, or fan. Do not wear loose clothing. Failure to follow these instructions can result in personal injury or death.

Measure the voltage between the Generator case and the Battery Negative (-) post.
Is the voltage below 0.1 volt?

Yes

- Go to5

No

- Repair the Generator Case ground for high resistance.
- Perform the PCM Verification Test.Powertrain Verification Test

5. (A109) FUSED B(+) CIRCUIT HIGH RESISTANCE
Turn the ignition off.

CAUTION: Do not probe the PCM harness connectors. Probing the PCM harness connectors will damage the PCM terminals resulting in poor terminal to pin connection. Install Miller Special Tool #8815 along with the #8815-1 to perform the diagnosis.

Using a voltmeter, perform a voltage drop test by probing the battery positive (+) terminal and the appropriate terminal(s) of the special tool #8815. Make sure the voltmeter leads are connected so that positive polarity is displayed on the voltmeter.

WARNING: When the engine is operating, do not stand in direct line with the fan. Do not put your hands near the pulleys, belts, or fan. Do not wear loose clothing. Failure to follow these instructions can result in personal injury or death.

Start the engine.
Is the voltage below 0.5 volts?

Yes

- Go to 6

No

- Repair the (A109) Fused B(+) circuit(s) for high resistance.
- Perform the PCM Verification Test.Powertrain Verification Test

6. (A804) GENERATOR SENSE CIRCUIT HIGH RESISTANCE
Turn the ignition off.

CAUTION: Do not probe the PCM harness connectors. Probing the PCM harness connectors will damage the PCM terminals resulting in poor terminal to pin connection. Install Miller Special Tool #8815 along with the #8815-1 to perform the diagnosis.

Using a voltmeter, perform a voltage drop test by backprobing the (A804) Generator Sense circuit at the Generator harness connector and probing the appropriate terminal of the special tool #8815. Make sure the voltmeter leads are connected so that positive polarity is displayed on the voltmeter.

WARNING: When the engine is operating, do not stand in direct line with the fan. Do not put your hands near the pulleys, belts, or fan. Do not wear loose clothing. Failure to follow these instructions can result in personal injury or death.

Start the engine.
Is the voltage below 0.5 volts?

Yes

- Go to 7

No

- Repair the (A804) Generator Sense circuit for high resistance.
- Perform the PCM Verification Test.Powertrain Verification Test

7. (K20) GEN FIELD CONTROL CIRCUIT HIGH RESISTANCE
Turn the ignition off.

CAUTION: Do not probe the PCM harness connectors. Probing the PCM harness connectors will damage the PCM terminals resulting in poor terminal to pin connection. Install Miller Special Tool #8815 along with the #8815-1 to perform the diagnosis.

Using a voltmeter, perform a voltage drop test by backprobing the (K20) Gen Field Control circuit at the Generator harness connector and probing the appropriate terminal of the special tool #8815. Make sure the voltmeter leads are connected so that positive polarity is displayed on the voltmeter.

WARNING: When the engine is operating, do not stand in direct line with the fan. Do not put your hands near the pulleys, belts, or fan. Do not wear loose clothing. Failure to follow these instructions can result in personal injury or death.

Start the engine.
Is the voltage below 0.5 volts?

Yes

- Go to 8

No

- Repair the (K20) Gen Field Control circuit for high resistance.
- Perform the PCM Verification Test.Powertrain Verification Test

8. GENERATOR
Turn the ignition off.
Disconnect the Generator harness connector.
Connect a 12 volt test light connected between ground and the (K20) Gen Field Control circuit in the Generator harness connector.
Turn the ignition on.
With the scan tool, actuate the Alternator Field Control State to toggle.

NOTE: The test light should toggle on and off with the actuation.

NOTE: If a DTC is active, the actuation test may not be allowed by the PCM. If may be necessary to clear DTCs before starting the actuation.

Does the test light illuminate on and off with the actuation?

Yes

- Replace the Generator.
- Perform the PCM Verification Test.Powertrain Verification Test

No

- Go to9

9. (K20) GEN FIELD CONTROL CIRCUIT SHORTED TO VOLTAGE
Turn the ignition off.
Disconnect the Powertrain Control Module (PCM) connector.
Turn the ignition on.
Measure the voltage of the (K20) Gen Field Control circuit in the Generator harness connector.
Is there any voltage present?

Yes

- Repair the (K20) Gen Field Control circuit for a short to voltage.
- Perform the PCM Verification Test.Powertrain Verification Test

No

- Go to 10

10. (K20) GEN FIELD CONTROL CIRCUIT SHORTED TO GROUND
Turn the ignition off.
Measure the resistance between ground and the (K20) Gen Field Control circuit in the Generator harness connector.
Is the resistance below 100 ohms?

Yes

- Repair the (K20) Gen Field Control circuit for a short to ground.
- Perform the PCM Verification Test.Powertrain Verification Test

No

- Go to11

11. (K20) GEN FIELD CONTROL CIRCUIT OPEN OR HIGH RESISTANCE

CAUTION: Do not probe the PCM harness connectors. Probing the PCM harness connectors will damage the PCM terminals, resulting in poor terminal to pin connection. Install Miller Special Tool #8815 to perform diagnosis.

Measure the resistance of the (K20) Gen Field Control circuit between the Generator harness connector and the appropriate terminal of special tool #8815.
Is the resistance below 5.0 ohms?

Yes

- Go to12

No

- Repair the (K20) Gen Field Control circuit for an open circuit or high resistance.
- Perform the PCM Verification Test.Powertrain Verification Test

12. CHECKING THE PCM POWER AND GROUND CIRCUITS

Perform the diagnostic procedure for CHECKING THE PCM POWER AND GROUND CIRCUITS. Checking the PCM Power and Ground Circuits

Were any problems found?

Yes

- Repair the PCM power and ground circuit(s) as necessary.
- Perform the PCM Verification Test.Powertrain Verification Test

No

- Go to 13

13. POWERTRAIN CONTROL MODULE (PCM)
Using the wiring diagram/schematic as a guide, inspect the wiring and connectors between the Generator and the Powertrain Control Module (PCM).
Look for any chafed, pierced, pinched, or partially broken wires.
Look for broken, bent, pushed out or corroded terminals.
Search for any Technical Service Bulletins that may apply.
Were any problems found?

Yes

- Repair as necessary.
- Perform the PCM Verification Test.Powertrain Verification Test

No

- Replace and program the Powertrain Control Module (PCM).
- Perform the PCM Verification Test.Powertrain Verification Test