Curiosii for ever!: Car repair manuals for everyone.

Antitheft and Alarm Systems

PLEASE NOTE: Some diagrams may appear to be missing because of gaps in the number sequences. These "gaps" are actually for diagrams that do not apply to the vehicle model selected.


8w-39-02:






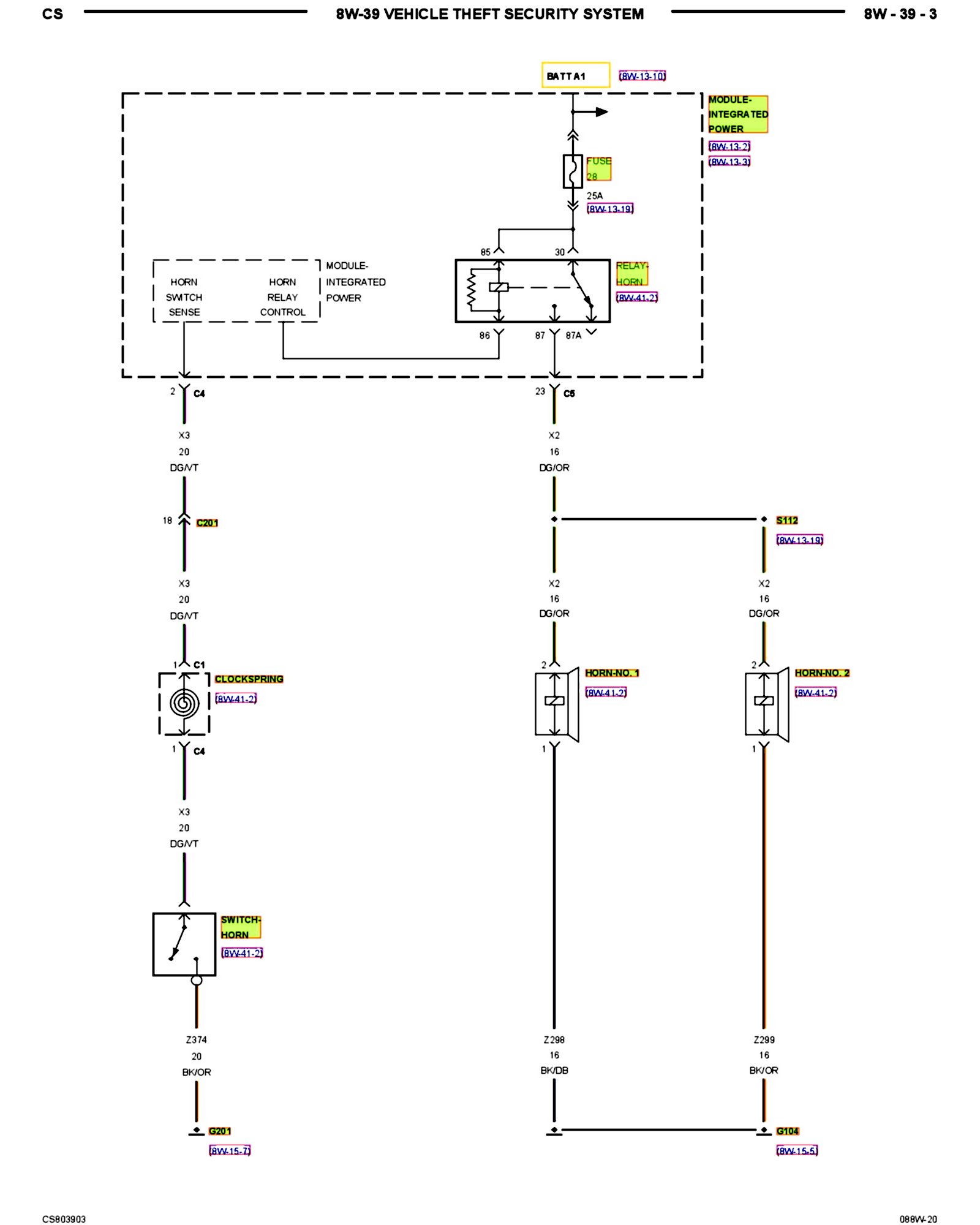
8w-39-03:






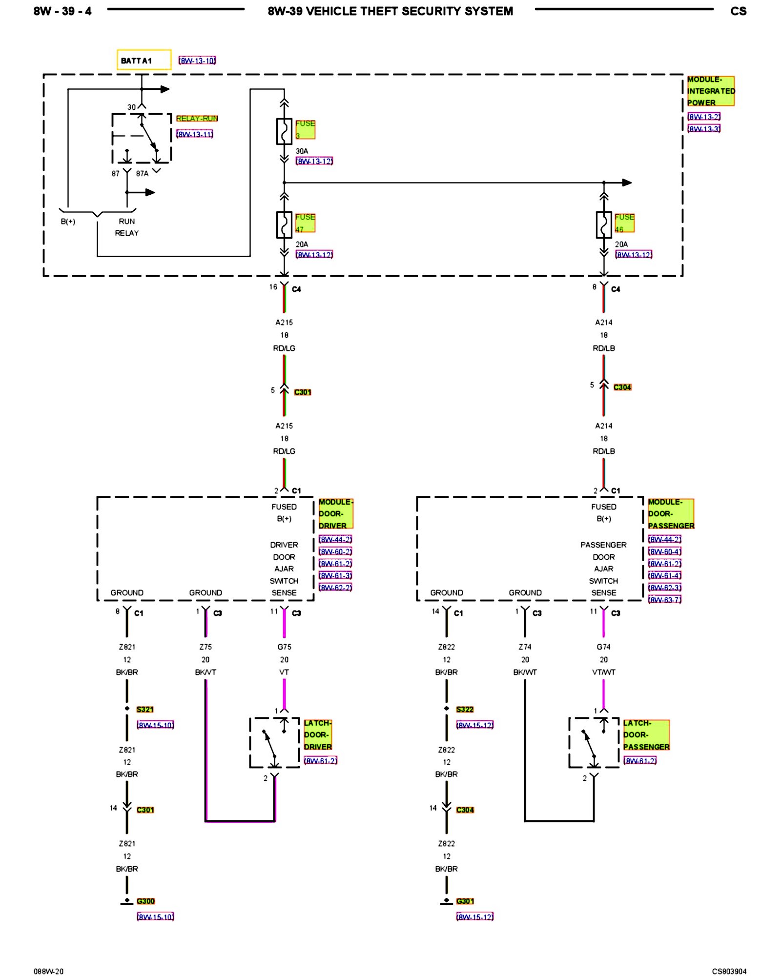
8w-39-04:






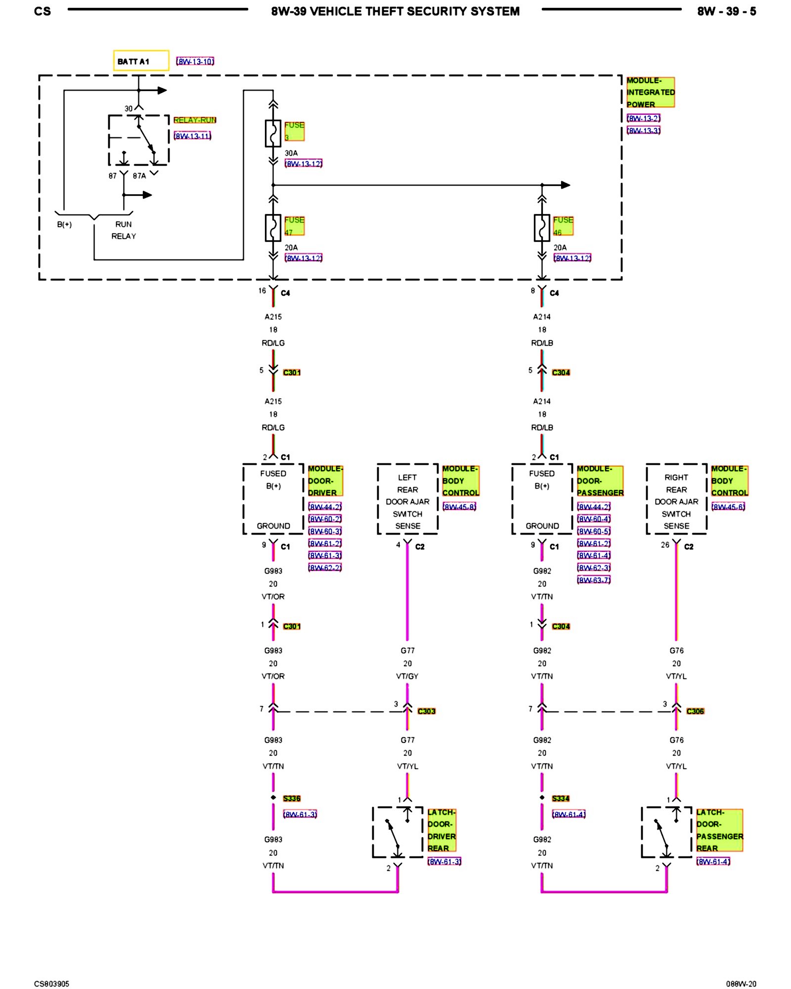
8w-39-05:






8w-39-06:






8w-39-07:






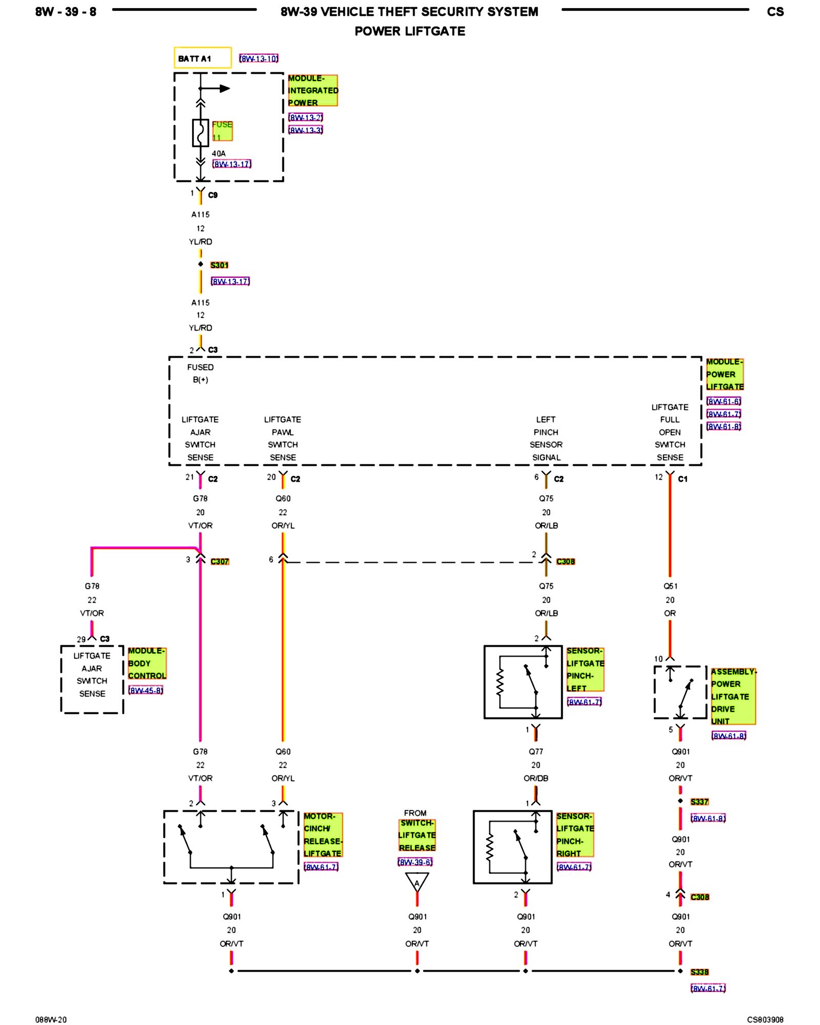
8w-39-08:






Other Diagrams: Other diagrams referred to by number (i.e. 8W-70-2, etc.) within these diagrams can be found at the vehicle level under Diagrams by Number. Diagrams By Number