Curiosii for ever!: Car repair manuals for everyone.

Floor Console Base Assembly - Installation







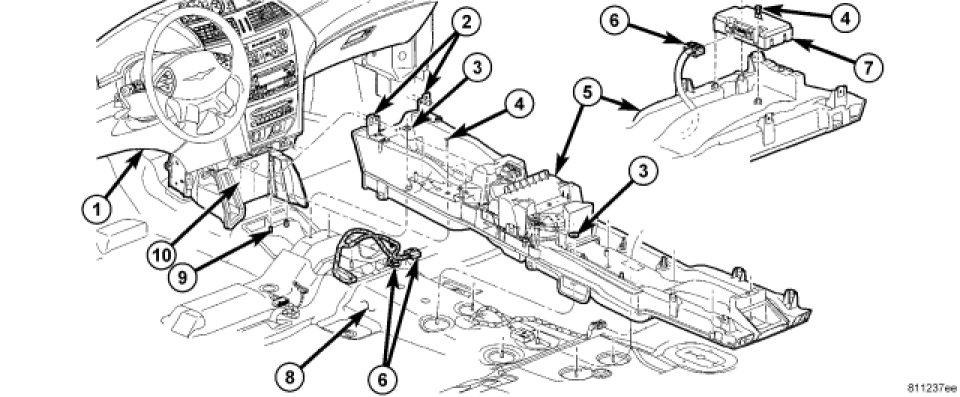
INSTALLATION





1. Place floor console base assembly into position.
2. Install wire harnesses through console base into position.
3. Connect wire connectors.
4. Install two screws attaching L-brackets to instrument panel.
5. Install nine attaching nuts and washers.
6. Install shift mechanism. .
7. Install front and rear floor consoles. Floor Console - Installation and Floor Console - Installation.