Curiosii for ever!: Car repair manuals for everyone.

8W-31-8

PLEASE NOTE: Some diagrams may appear to be missing because of gaps in the number sequences. These "gaps" are actually for diagrams that do not apply to the vehicle model selected.


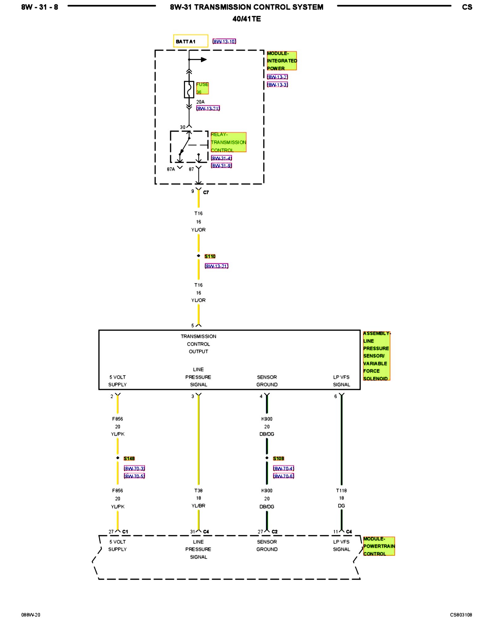
8w-31-08 (40/41TE):






Next Diagram 8W-31-12


Previous Diagram 8W-31-7


Other Diagrams: Other diagrams referred to by number (i.e. 8W-70-2, etc.) within these diagrams can be found at the vehicle level under Diagrams By Number. Diagrams By Number