Curiosii for ever!: Car repair manuals for everyone.

Removal







REMOVAL

1. Disconnect negative (-) battery cable from battery post and isolate.




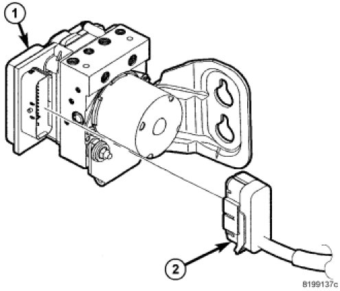
NOTE: To disconnect the ABM wiring connector in the following step, depress the tab (1) in the center of the connector and lift the release lever (2), rotating it upward to the top of the connector, or until the connector is fully released from the module socket.





2. Disconnect the wiring connector from the ABM.




3. Remove four screws (1) attaching antilock brake module (ABM) (2) to hydraulic control unit (HCU).




CAUTION: When removing ABM from HCU, be sure to completely separate the two components (approximately 38 mm (1.5 inches)) before removing ABM. Otherwise, damage to the pressure sensor will result requiring HCU replacement.

4. Slide ABM (1) off HCU (2).
5. Remove ABM from vehicle.