Curiosii for ever!: Car repair manuals for everyone.

Schematics and Diagrams







SCHEMATICS AND DIAGRAMS




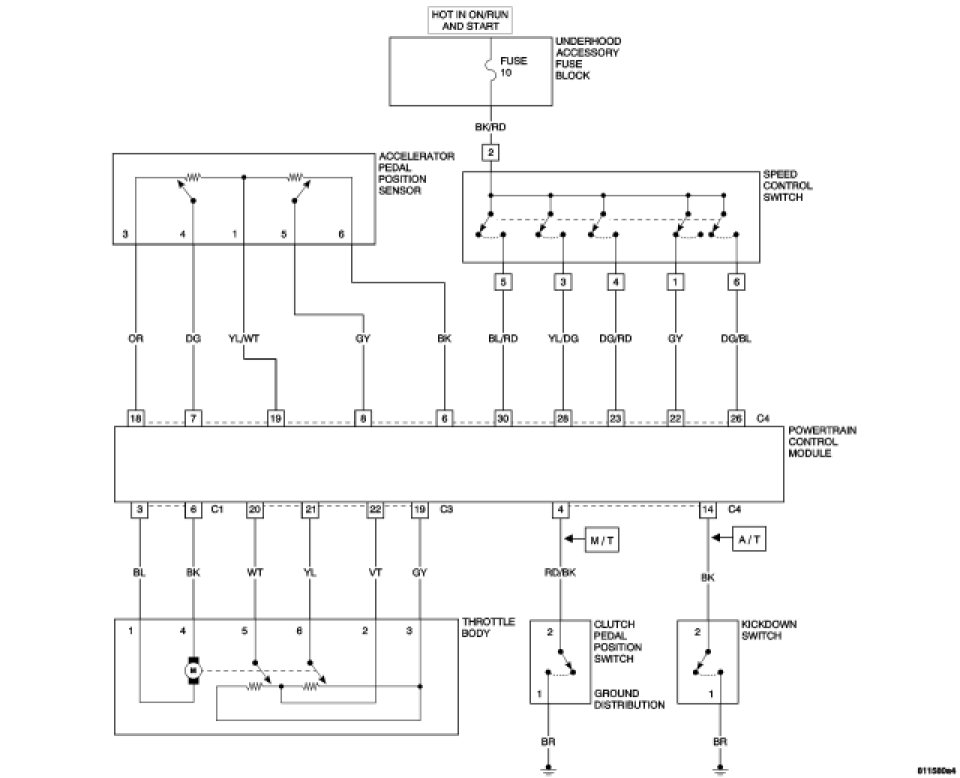
POWERTRAIN CONTROL MODULE CIRCUIT DIAGRAM (1 OF 7)




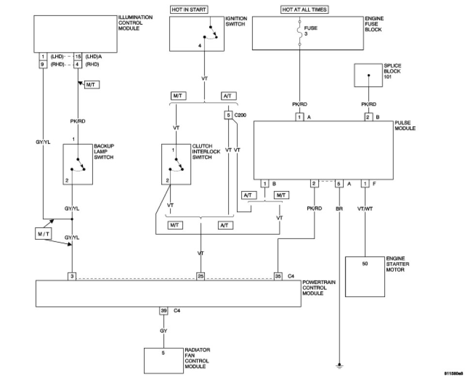
POWERTRAIN CONTROL MODULE CIRCUIT DIAGRAM (2 OF 7)




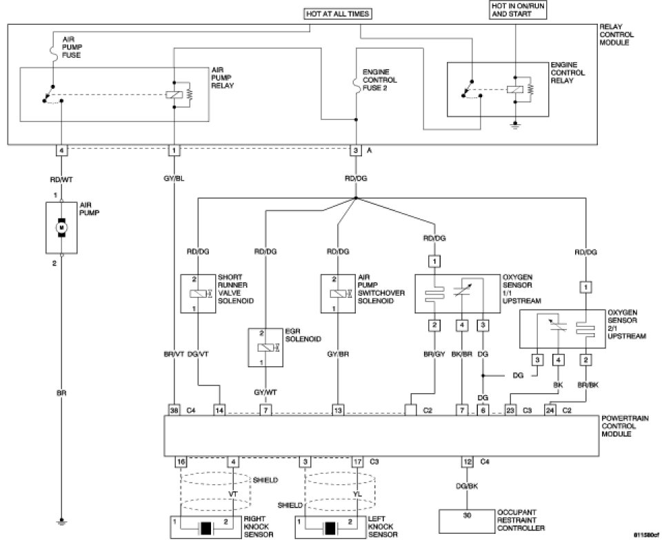
POWERTRAIN CONTROL MODULE CIRCUIT DIAGRAM (3 OF 7)




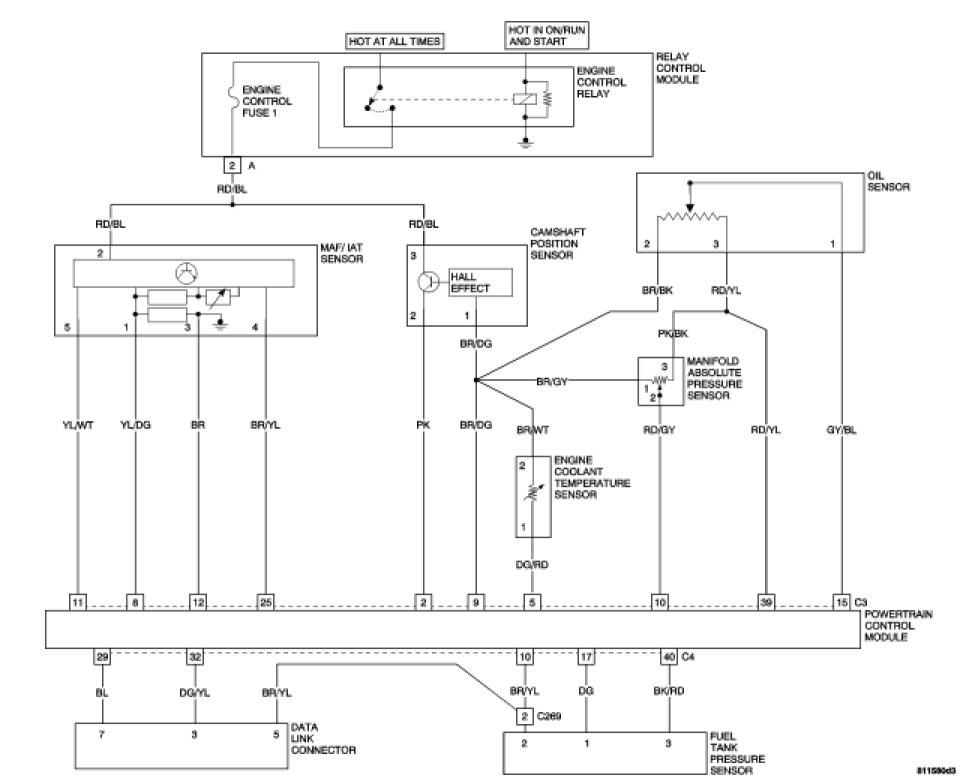
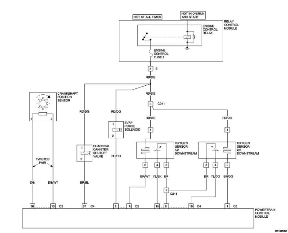
POWERTRAIN CONTROL MODULE CIRCUIT DIAGRAM (4 OF 7)




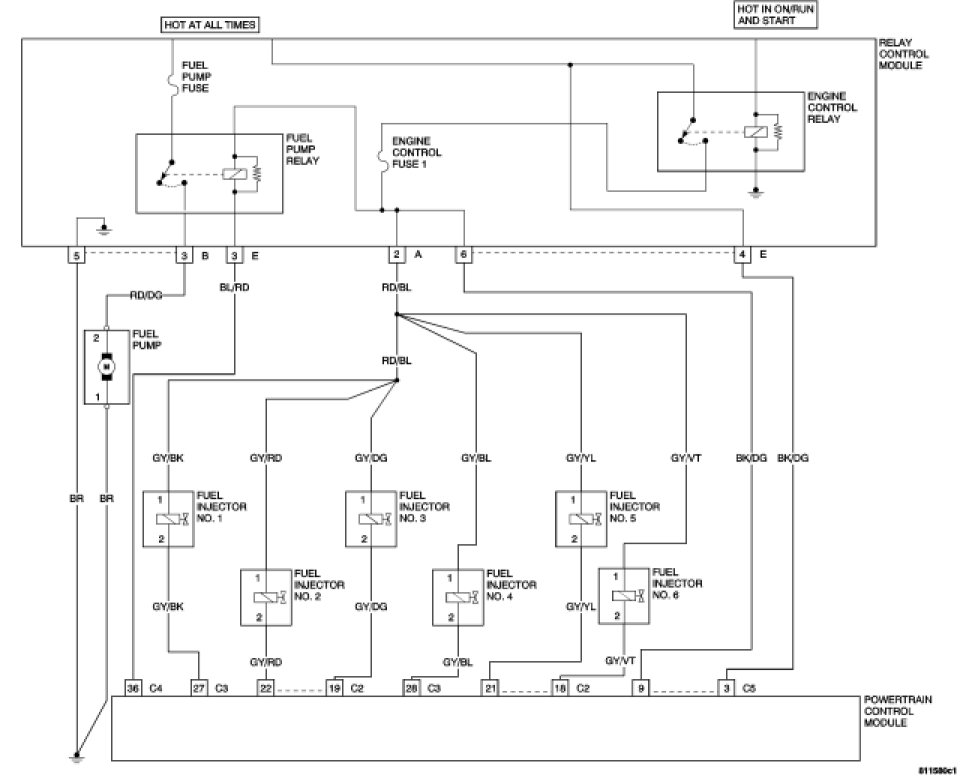
POWERTRAIN CONTROL MODULE CIRCUIT DIAGRAM (5 OF 7)




POWERTRAIN CONTROL MODULE CIRCUIT DIAGRAM (6 OF 7)




POWERTRAIN CONTROL MODULE CIRCUIT DIAGRAM (7 OF 7)