Curiosii for ever!
: Car repair manuals for everyone.
Home
>>
Chrysler
>>
2008
>>
Crossfire V6-3.2L
>>
Repair and Diagnosis
>>
Diagrams
>>
Electrical Diagrams
>>
Starting System
>>
System Diagram
>>
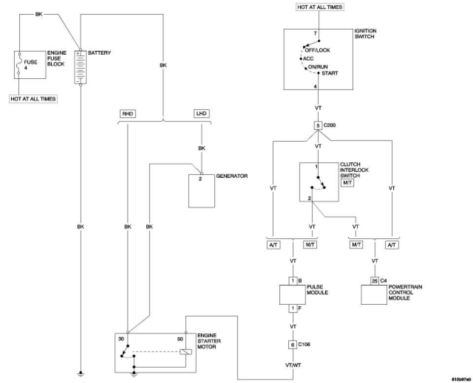
Starting
Starting
SCHEMATICS AND DIAGRAMS
STARTING SYSTEM
CIRCUIT DIAGRAM