Curiosii for ever!: Car repair manuals for everyone.

Front Lighting

PLEASE NOTE: Some diagrams may appear to be missing because of gaps in the number sequences. These "gaps" are actually for diagrams that do not apply to the vehicle model selected.


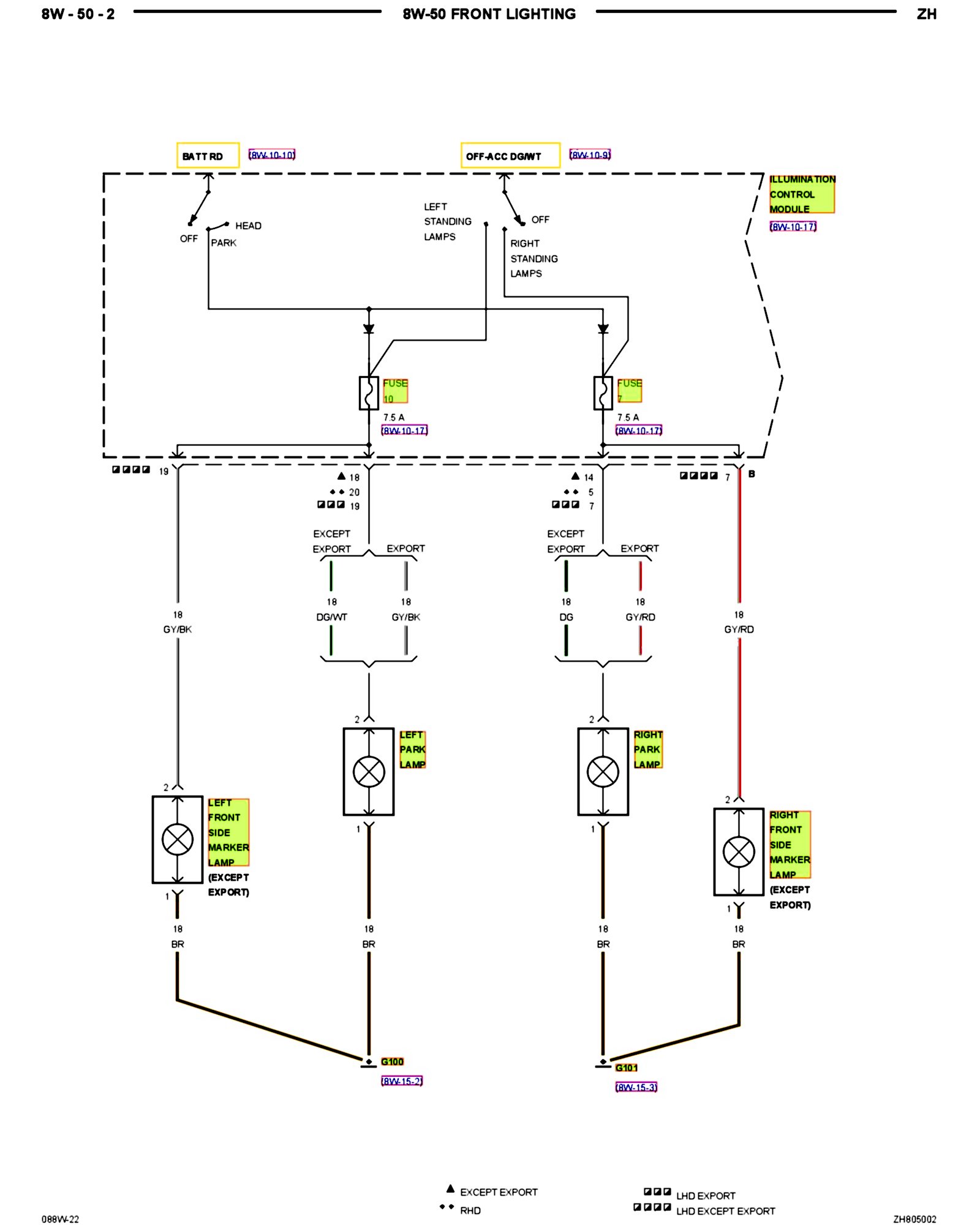
8w-50-02:






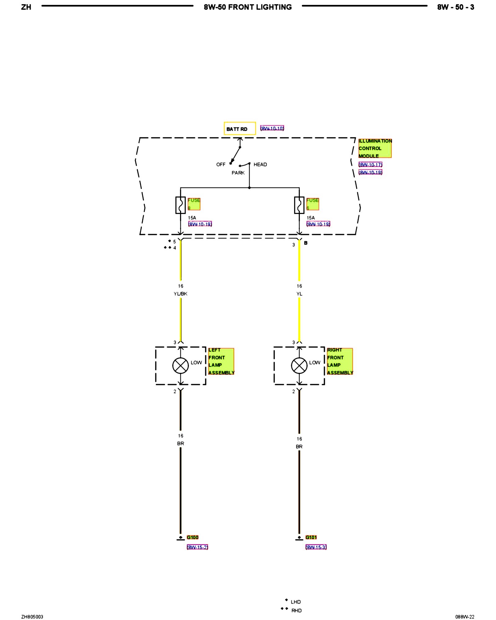
8w-50-03:






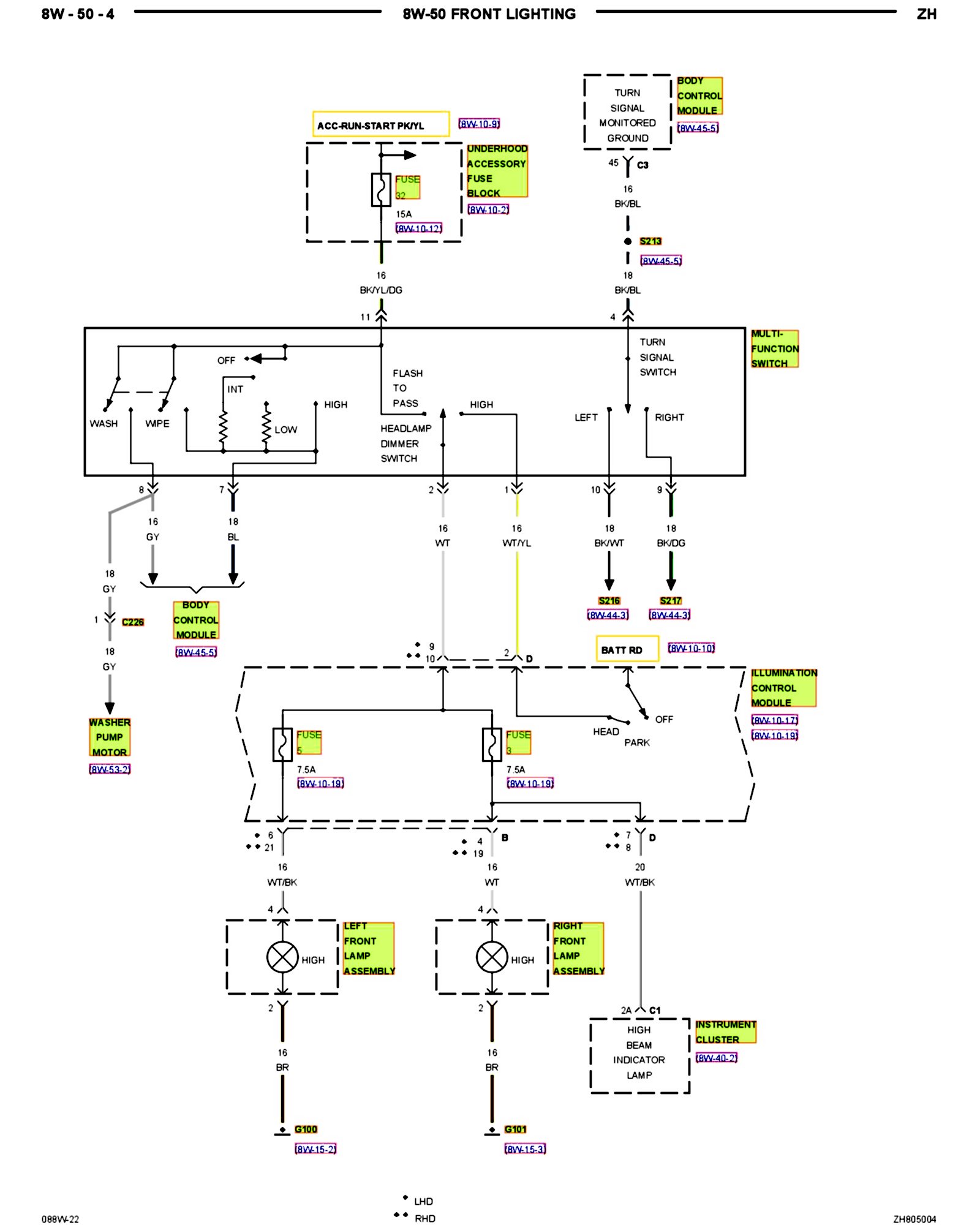
8w-50-04:






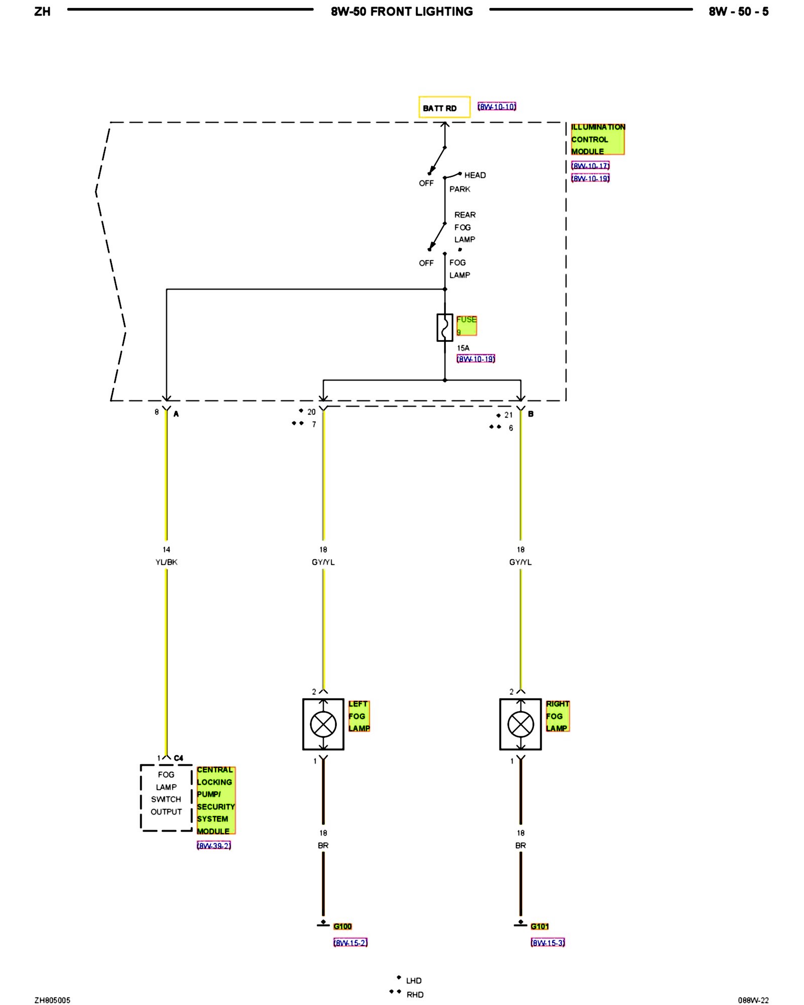
8w-50-05:






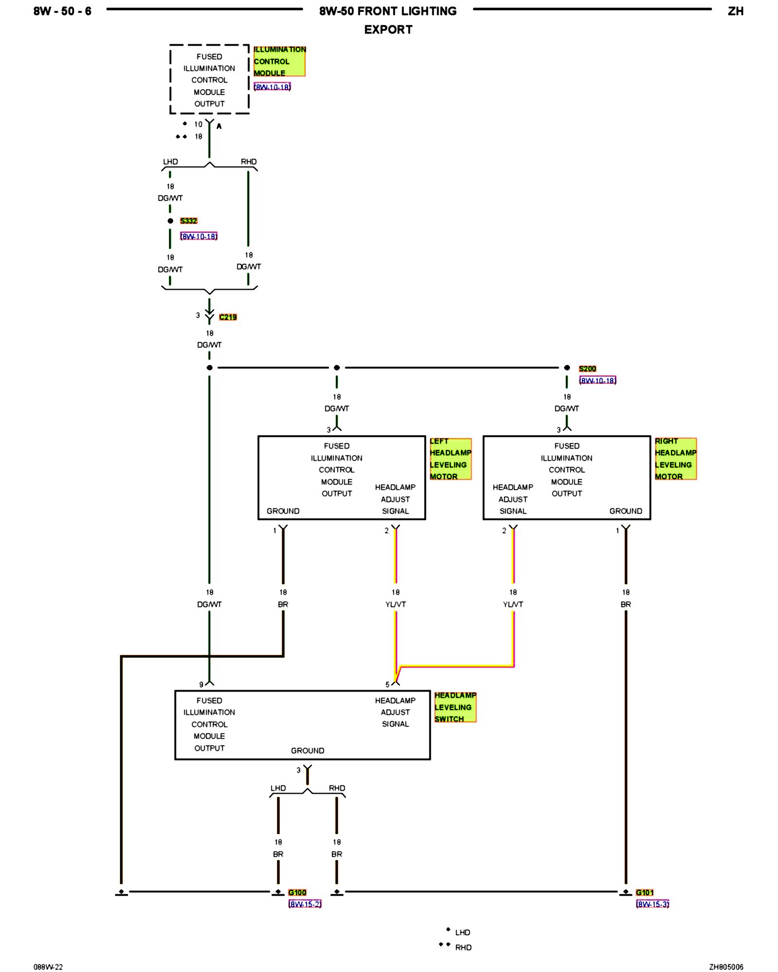
8w-50-06:






Other Diagrams: Other diagrams referred to by number (i.e. 8W-70-2, etc.) within these diagrams can be found at the vehicle level under Diagrams by Number. Diagrams By Number