Curiosii for ever!: Car repair manuals for everyone.

Convertible Top

PLEASE NOTE: Some diagrams may appear to be missing because of gaps in the number sequences. These "gaps" are actually for diagrams that do not apply to the vehicle model selected.


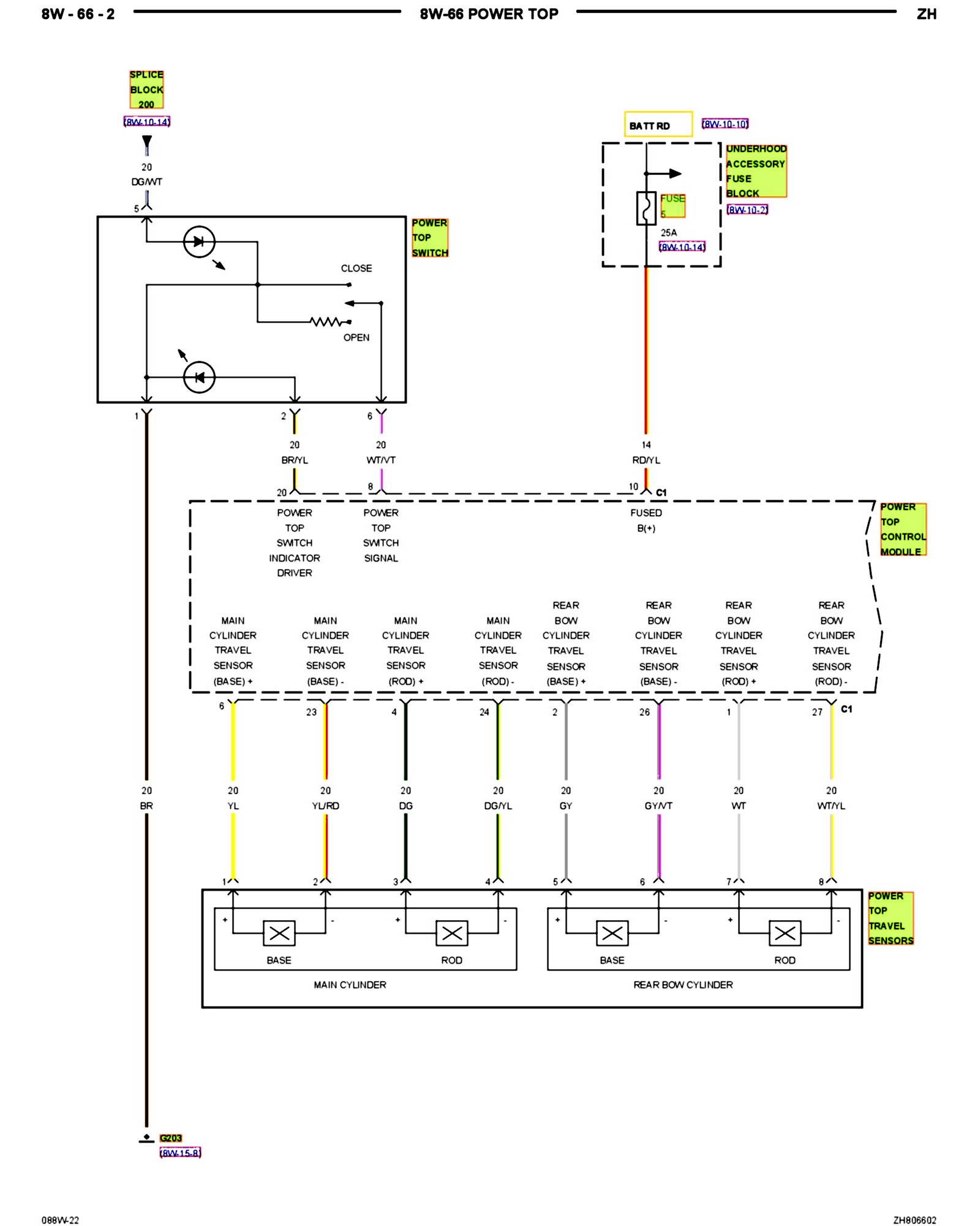
8w-66-02:






8w-66-03:






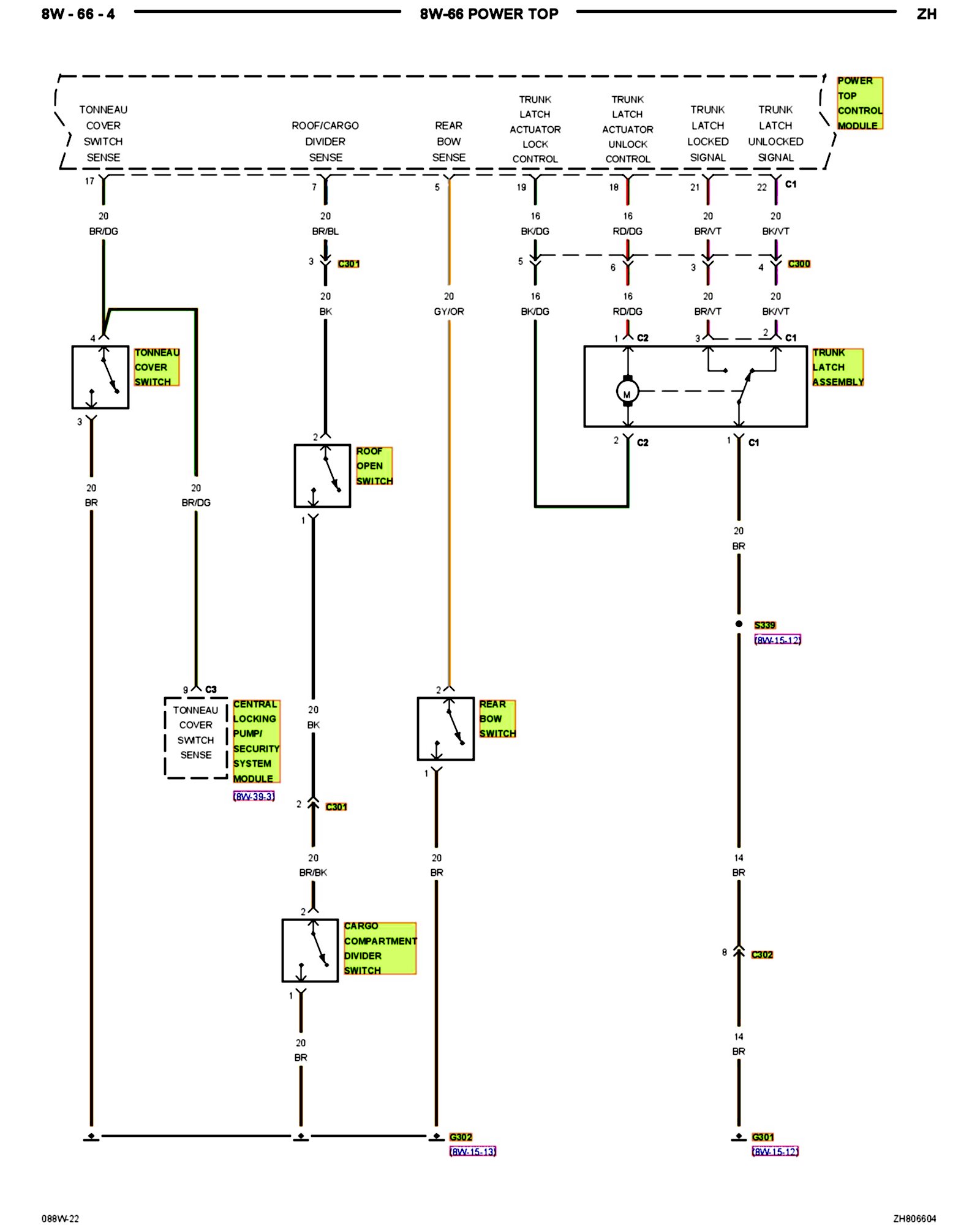
8w-66-04:






8w-66-05:






8w-66-06:






Other Diagrams: Other diagrams referred to by number (i.e. 8W-70-2, etc.) within these diagrams can be found at the vehicle level under Diagrams by Number. Diagrams By Number