Curiosii for ever!: Car repair manuals for everyone.

O2 Sensor 2/2 Above Threshold







P0137 - O2 SENSOR 2/2 ABOVE THRESHOLD





When Monitored and Set Condition

- When Monitored: Start and drive vehicle greater than 32 km/h (20 MPH) and less than 89 km/h (55 MPH). Throttle open for a minimum 120 seconds. Coolant Temp greater than 70°C (158°F) and Catalytic Converter Temperature greater than 600°C (1112°F).
- Set Condition: The O2 sensor voltage switches only 11 times or less from lean to rich within 20 seconds during monitoring. Two Trip Fault.





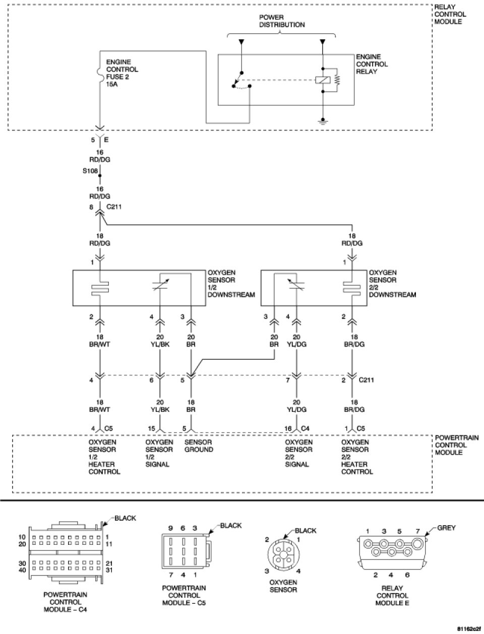
For a complete Powertrain Control Module Circuit Diagram, Schematics and Diagrams.

Diagnostic Test

1. PRE-DIAGNOSTIC CHECK OUT

NOTE: Always perform diagnostics with a fully charged battery.

NOTE: Check connectors - Clean/repair as necessary. Poor pin to terminal connections can set DTCs.

NOTE: Check for applicable TSBs related to the problem.

Turn the ignition on.
With the scan tool, read PCM DTCs.
Using the wiring diagram/schematic as a guide, inspect the wiring and connectors. Repair as necessary.
Perform this procedure prior to symptom diagnosis.

Continue

- Go To 2

2. CHECK FOR CURRENT DTC
NOTE: It is important to perform the diagnostics on the O2 Sensor that set the DTC.

NOTE: Check for contaminates that may have damaged the O2 Sensor: contaminated fuel, unapproved silicone, oil and coolant.

NOTE: If the PCM detects and stores a DTC, the PCM also stores the engine/vehicle operating conditions under which the DTC was set. Some of these conditions are displayed on the scan tool at the same time the DTC is displayed.

NOTE: Before erasing stored DTCs, record these conditions. Attempting to duplicate these conditions may assist when checking for an active DTC.

Turn the ignition on.
With the scan tool, erase PCM DTCs.

NOTE: It maybe necessary to road test the vehicle for this DTC to set.

With the scan tool, read PCM DTCs.
Did this DTC set again?

Yes

- Go To 3

No

- Go To 6

3. EXHAUST LEAK
Start the engine.
Inspect the exhaust system for leaks between the engine and the O2 Sensors. Service and Repair.
Are there any exhaust leaks?

Yes

- Repair or replace the leaking exhaust parts as necessary. Catalytic Converter - Removal.
- Perform POWERTRAIN VERIFICATION TEST - VER 2. Powertrain Verification Test

No

- Go To 4

4. O2 SIGNAL CIRCUIT




Turn the ignition off
Disconnect the O2 Sensor harness connector.

NOTE: Check connectors - Clean/repair as necessary.

Turn the ignition on.
Measure the voltage of the O2 Signal circuit at the O2 Sensor harness connector.
Is the voltage approximately 0.47 volt?

Yes

- Go To 5

No

- Check the O2 Signal circuit for damage, short to ground, open, or short to voltage. If OK, replace and program the Powertrain Control Module. Powertrain Control Module - Removal.
- Perform POWERTRAIN VERIFICATION TEST - VER 2. Powertrain Verification Test

5. SENSOR GROUND CIRCUIT




Turn the ignition off.
Disconnect the PCM harness connectors.

NOTE: Check connectors - Clean/repair as necessary.

Measure the resistance of the Sensor Ground circuit from the O2 Sensor harness connector to the PCM harness connector.
Is the resistance below 5.0 ohms?

Yes

- Replace the Oxygen Sensor. Removal.
- Perform POWERTRAIN VERIFICATION TEST - VER 2. Powertrain Verification Test

No

- Check the Sensor Ground circuit for damage, short to ground, open, or short to voltage. If OK, replace and program the Powertrain Control Module. Powertrain Control Module - Removal.
- Perform POWERTRAIN VERIFICATION TEST - VER 2. Powertrain Verification Test

6. INTERMITTENT WIRING AND CONNECTORS
The conditions necessary to set this DTC are not present at this time.

NOTE: Check connectors - Clean/repair as necessary. Poor pin to terminal connections can set DTCs.Using the wiring diagram/schematic as a guide, inspect the wiring and connectors specific to this DTC. Wiggle the wires while checking for shorts and open circuits.

NOTE: Check for any Technical Service Bulletins that may apply.

Were there any problems found?

Yes

- Repair as necessary.
- Perform POWERTRAIN VERIFICATION TEST - VER 2. Powertrain Verification Test

No

- The condition that caused this DTC to set is currently not present. Inspect the related wiring harness for a possible intermittent condition.