Curiosii for ever!: Car repair manuals for everyone.

Checking the Oxygen Sensor Operation







*CHECKING THE OXYGEN SENSOR OPERATION





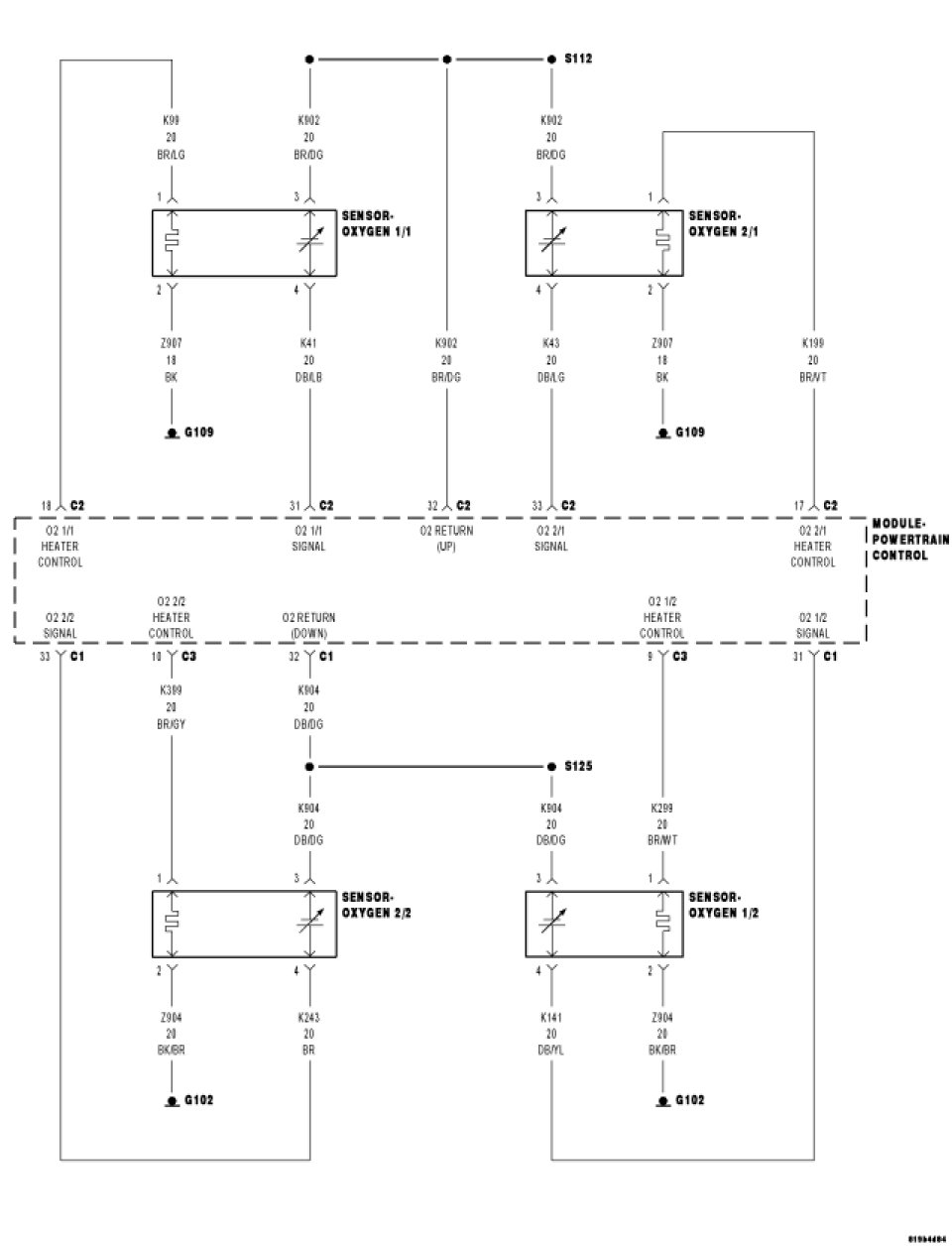
For a complete wiring diagram Refer to Diagrams/Electrical.


Diagnostic Test


1. OXYGEN SENSOR, WIRING, OR CONNECTORS

NOTE: Diagnose and repair any O2 sensor or rationality DTCs before proceeding with this test.


NOTE: When performing this procedure as part of another diagnostic process, it may be necessary to repeat this test for all of the oxygen sensors on the vehicle.

Turn the ignition off.
Using the wiring diagram/schematic as a guide, inspect the wiring and connectors between the Oxygen sensor and the PCM.
Look for any chafed, pierced, pinched, or partially broken wires.
Look for broken, bent, pushed out or corroded terminals.
Turn the ignition on.
Monitor the scan tool data relative to the sensor and wiggle test the wiring and connectors.
Look for the data to change or for a DTC to set during the wiggle test. If necessary, check each sensor circuit for high resistance or a shorted condition.
Were any problems found?

Yes


- Repair as necessary.
- Perform the PCM Verification Test.Powertrain Verification Test


No


- Go to 2




2. OXYGEN SENSOR VOLTAGE
Start the engine and allow it to reach normal operating temperature.

WARNING: When the engine is operating, do not stand in direct line with the fan. Do not put your hands near the pulleys, belts, or fan. Do not wear loose clothing. Failure to follow these instructions can result in personal injury or death.

With a scan tool, monitor all O2 Sensor voltage readings.
Is the voltage switching between 2.5 and 3.4 volts for all O2 sensors?

Yes


- Go to 3
- Perform the PCM Verification Test.Powertrain Verification Test


No


- Go to 4




3. O2 SENSOR HEATER OPERATION
Turn the ignition off.

NOTE: Wait a minimum of 10 minutes to allow the O2 Sensor to cool down before continuing the test. Allow the O2 Sensor voltage to stabilize at 5.0 volts.

Turn the ignition on.
With a scan tool, perform the O2 Sensor Heater Test for the applicable sensor.
With the scan tool, monitor O2 Sensor voltage for at least 2 minutes.
Does the voltage stay above 4.5 volts?

Yes


- Go to 4
- Perform the PCM Verification Test.Powertrain Verification Test


No


- Test complete.




4. O2 SENSOR
Turn the ignition off.

NOTE: Check for contaminants that may cause improper O2 Sensor operation, such as contaminated fuel, unapproved silicone, or evidence of oil or coolant.

Disconnect the O2 Sensor harness connector.
Turn the ignition on.
With a scan tool, monitor the O2 Sensor voltage.

NOTE: The voltage should be approximately 5.0 volts with the connector disconnected.

Connect a jumper wire between the signal circuit and the return circuit in the O2 Sensor harness connector.

NOTE: The voltage should drop from 5.0 volts to 2.5 volts with the jumper wire in place.

Is the O2 Sensor voltage displayed on the scan tool as described?

Yes


- Replace the O2 Sensor.
- Perform the PCM Verification Test.Powertrain Verification Test


No


- Go to 5




5. O2 SENSOR SIGNAL CIRCUIT
Using the wiring diagram/schematic as a guide, inspect the O2 Sensor Signal circuit and connectors between the O2 sensor and the PCM.
Check the O2 Sensor signal circuit for a short to ground, open circuit, short to voltage, or high resistance.
Were any problems found?

Yes


- Repair as necessary.
- Perform the PCM Verification Test.Powertrain Verification Test


No


- Go to 6




6. O2 SENSOR RETURN CIRCUIT
Using the wiring diagram/schematic as a guide, inspect the O2 Sensor Return circuit and connectors between the O2 sensor and the PCM.
Check the O2 Sensor return circuit for a short to ground, open circuit, short to voltage or high resistance.
Were any problems found?

Yes


- Repair as necessary.
- Perform the PCM Verification Test.Powertrain Verification Test


No


- Go to 7




7. POWERTRAIN CONTROL MODULE (PCM)
Using the wiring diagram/schematic as a guide, inspect the wiring and connectors between the O2 sensor and the PCM.
Look for any chafed, pierced, pinched, or partially broken wires.
Look for broken, bent, pushed out or corroded terminals.
Monitor the scan tool data relative to the components tested in this procedure and wiggle test the wiring and connectors.
Look for the data to change or for a DTC to set during the wiggle test.
Search for any Technical Service Bulletins that may apply.
Were any problems found?

Yes


- Repair as necessary.
- Perform the PCM Verification Test.Powertrain Verification Test


No


- Replace and program the Powertrain Control Module (PCM).
- Perform the PCM Verification Test.Powertrain Verification Test