Curiosii for ever!: Car repair manuals for everyone.

Piston and Connecting Rod - Installation






INSTALLATION




1. Install the piston rings.
2. Before installing piston and connecting rod assemblies into the bore, ensure that compression ring gaps are staggered so that neither is in line with oil ring rail gap.
3. Before installing the ring compressor, make sure the oil ring expander ends are butted and the rail gaps are located properly.
4. Immerse the piston head and rings in clean engine oil, slide the ring compressor over the piston and tighten with the special wrench. Ensure position of rings does not change during this operation.

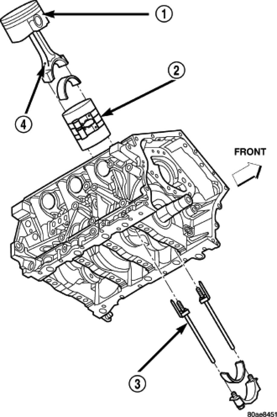
CAUTION: Ensure the hole in bearing half aligns with hole in connecting rod, as damage to engine may occur.

5. Position bearing onto connecting rod. Ensure that hole in bearing half is aligned to hole in connecting rod. Lubricate bearing surface with clean engine oil.
6. Install Special Tools 8189 Connecting Rod Guides into connecting rod.




7. The pistons are marked on top with an arrow and with an "F" (Front) above the pin boss. These marks must be pointing toward the front of engine on both cylinder banks. The connecting rod oil squirt hole (2) faces the major thrust (right) side of the block.
8. Rotate crankshaft so that the connecting rod journal is on the center of the cylinder bore. Insert rod and piston into cylinder bore and guide rod over the crankshaft journal.

CAUTION: Do Not interchange piston assemblies bank to bank, as engine damage may occur.

9. Tap the piston down in cylinder bore, using a hammer handle. At the same time, guide connecting rod into position on connecting rod journal.
10. Lubricate rod bolts and bearing surface with engine oil. Install connecting rod cap and bearing. Tighten bolts to 27 Nm (20 ft. lbs.) Plus 1/4 turn.