Installation
INSTALLATION
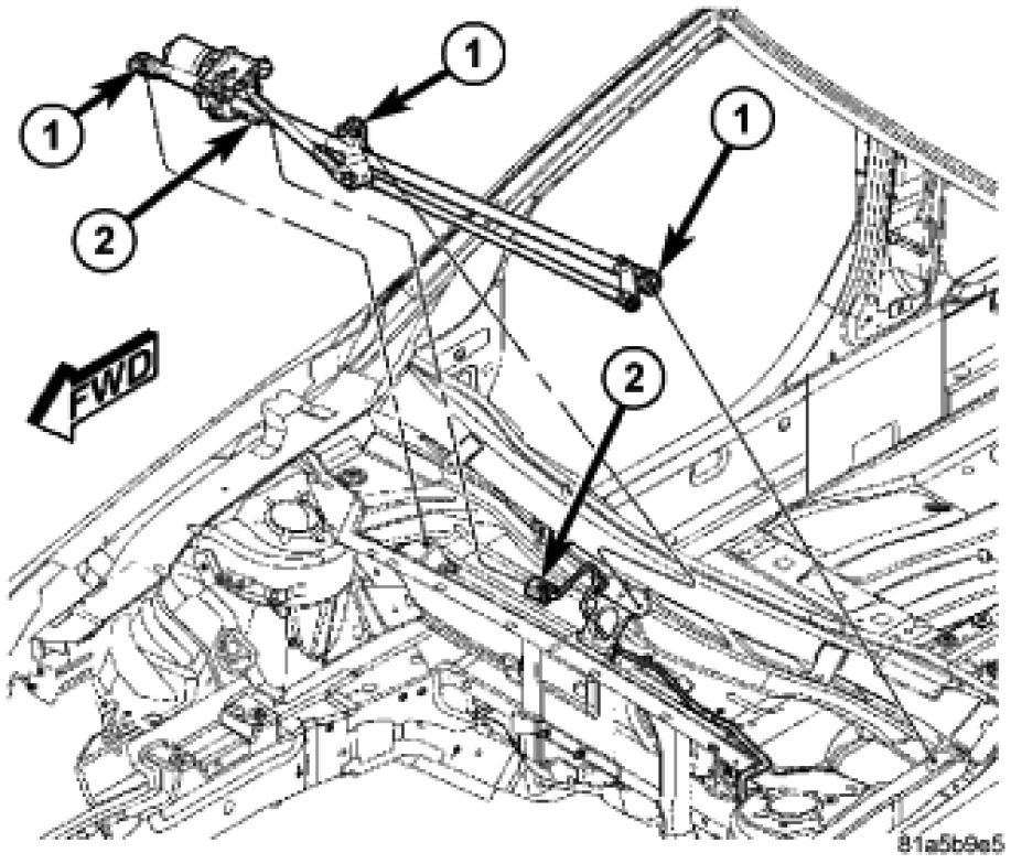
1. Connect wire connector (2) at motor.
2. Place assembly into position, install the three mounting bolts (1), Tighten bolts to 11 Nm (97 in. lbs.).
3. Install the cowl screen.
4. Install the wiper arms and blades.
5. Connect the battery negative remote cable.
6. If necessary, adjust wiper arms.