Curiosii for ever!
: Car repair manuals for everyone.
Home
>>
Chrysler
>>
2007
>>
Sebring Sedan L4-2.4L
>>
Repair and Diagnosis
>>
Transmission and Drivetrain
>>
Automatic Transmission/Transaxle
>>
Transmission Speed Sensor
>>
Service and Repair
>>
Speed Sensor - Output
>>
Removal
Removal
REMOVAL
1.
Disconnect battery negative cable.
2.
Raise vehicle on hoist.
3.
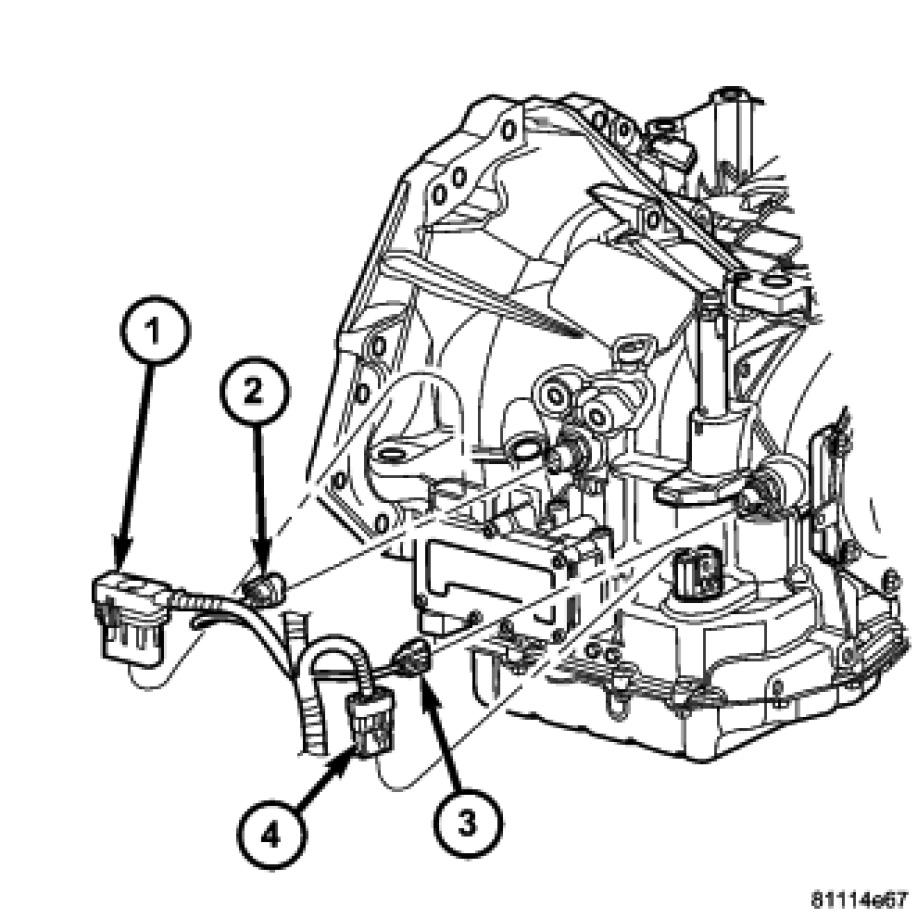
Disconnect output speed sensor connector (3).
4.
Unscrew and remove output speed sensor (1).
5.
Inspect speed sensor O-ring (2) and replace if necessary.