Curiosii for ever!: Car repair manuals for everyone.

Installation






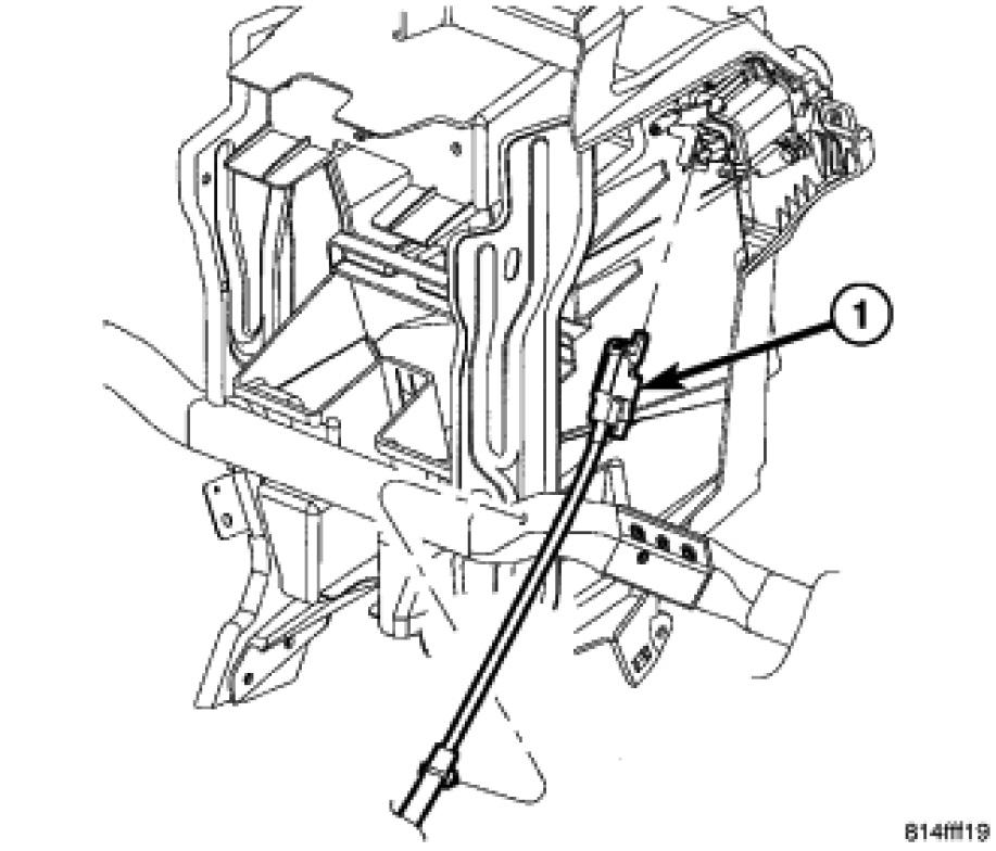
INSTALLATION




1. Verify that ignition key is in ACC position.




2. Install shift interlock cable to ignition cylinder. Secure cable to instrument panel at retainer.




3. Route shift interlock cable towards shift mechanism.
4. Connect interlock cable core (4) to shift mechanism cam, and then secure cable housing to shift mechanism (3).
5. Adjust interlock cable.
6. Install center console assembly.