Curiosii for ever!: Car repair manuals for everyone.

Installation






INSTALLATION

CAUTION: Failure to install speed sensor cables properly may result in contact with moving parts or an over extension of cables causing an open circuit. Be sure that cables are installed, routed, and clipped properly.




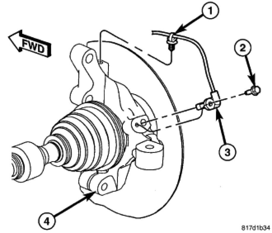
1. Install the wheel speed sensor head (3) into the knuckle (4). Install the mounting screw (2) and tighten it to 12 Nm (106 in. lbs.).
2. Install the routing clip (1) securing the wheel speed sensor cable to the knuckle (4).




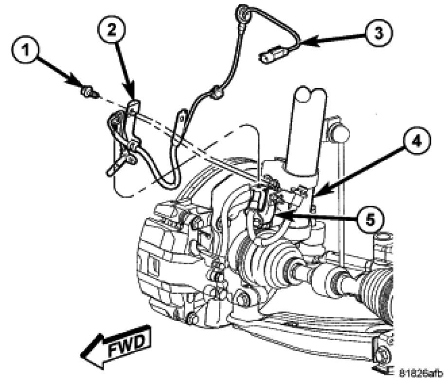
3. Position the wheel speed sensor routing bracket (2) on the brake flex hose bracket (5) and install the mounting screw (1). Tighten the mounting screw to 18 Nm (13 ft. lbs.).




4. Position the wheel speed sensor cable routing clamp (4) on the outside frame rail (6) and install the mounting screw (3). Tighten the mounting screw to 18 Nm (13 ft. lbs.).
5. Install the speed sensor cable routing clip (2) on the outside frame rail (6).
6. Insert the wheel speed sensor cable through the hole in the body (7) and install the grommet (1) in the hole.




7. Lower the vehicle.
8. Connect the wheel speed sensor cable connector (2) to the wiring harness connector (3) on top of the frame rail (1).
9. Perform the Diagnostic Verification Test and clear any faults. ABS Verification Test