Curiosii for ever!: Car repair manuals for everyone.

Installation






INSTALLATION

CAUTION: Inspect seal around mating edge of ABM to ensure seal is in good shape.

1. Clean any debris off the mating surfaces of the antilock brake module (ABM) and hydraulic control unit (HCU).





CAUTION: When installing ABM to HCU, care must be taken not to damage the pressure sensor. If damaged, HCU replacement is necessary.

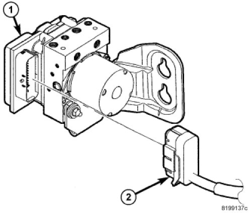
2. Align ABM (1) solenoids and pump/motor wiring with HCU (2) valves and wiring passage. Slide ABM onto HCU.




3. Install four screws (1) attaching ABM to HCU. Tighten mounting screws to 6 Nm (53 in. lbs.).





NOTE: To connect the ABM wiring connector to the ABM in the following step, begin with the release lever in the full upward (released) position. Push the connector onto the ABM socket and rotate the release lever (2) downward until it snaps into place in the locked position below the release tab (1).




4. Install ABM wiring connector (2) into socket of ABM.

5. Connect negative battery cable to battery post.

6. Hook up the scan tool to initialize the ABM and perform the following:
a. Clear any faults.
b. Perform the ABS Verification Test and road test the vehicle.