Curiosii for ever!: Car repair manuals for everyone.

Installation







INSTALLATION





1. If equipped with 3.8L engine, install both tuned mass dampers (3 and 4). Tighten mounting bolts to 68 Nm (50 ft. lbs.).
2. Install stabilizer bar onto engine cradle.




3. Install cradle and fixture (1) into position under vehicle.
4. Slowly lower vehicle. While lowering vehicle, align engine front and rear mount studs to their respective thru-holes in cradle.
5. Aligning index/scribe mark placed upon disassembly, install four (4) cradle-to-body bolts and tighten to 163 Nm (120 ft. lbs.).
6. Remove overhead powertrain support fixture from engine compartment:
a. Remove rear support/lift bracket and connect coolant temperature sensor.
b. Remove front support/lift bracket. Install and tighten engine oil dipstick fastener.
7. Raise vehicle on hoist and remove driveline support table.
8. Install and tighten engine front and rear mount-to-cradle nuts to 54 Nm (40 ft. lbs.).
9. Install power steering rack and pinion mounting bolts.




10. Install bolt (2) securing power steering hydraulic return hose clamp to left side of engine cradle (4).




11. Install routing clamp bolt securing power steering hydraulic return hose to engine cradle at cooling loop (3).
12. Install tie-strap clip (1) into engine cradle securing power steering hydraulic pressure hose in place.




13. Overlap power steering hydraulic hose clamps (1 and 3) and install mounting screw fastening hydraulic hoses to cradle (4) on right side.
14. Position brake line support brackets onto cradle and install the bolts.
15. Position brake lines into the plastic support brackets and fasten the brackets.
16. Install the fascia.
17. Position the lower control arms in place and install the control arm to cradle bolts.




18. Install sway bar links (3) to strut attaching points. Tighten link-to-strut nuts to 88 Nm (65 ft. lbs.).
19. If necessary, position wheel speed sensor harness back onto support bracket.
20. Install both front tire/wheel assemblies.




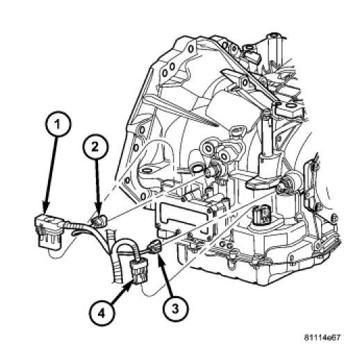
21. Connect solenoid/pressure switch connector (1). Tighten screw to 4 Nm (35 in. lbs.).
22. Connect battery negative cable.
23. Align front end. REFER TO Service and Repair.