Curiosii for ever!
: Car repair manuals for everyone.
Home
>>
Chrysler
>>
2007
>>
300 V6-2.7L VIN R
>>
Repair and Diagnosis
>>
Power and Ground Distribution
>>
Fuse Block
>>
Locations
>>
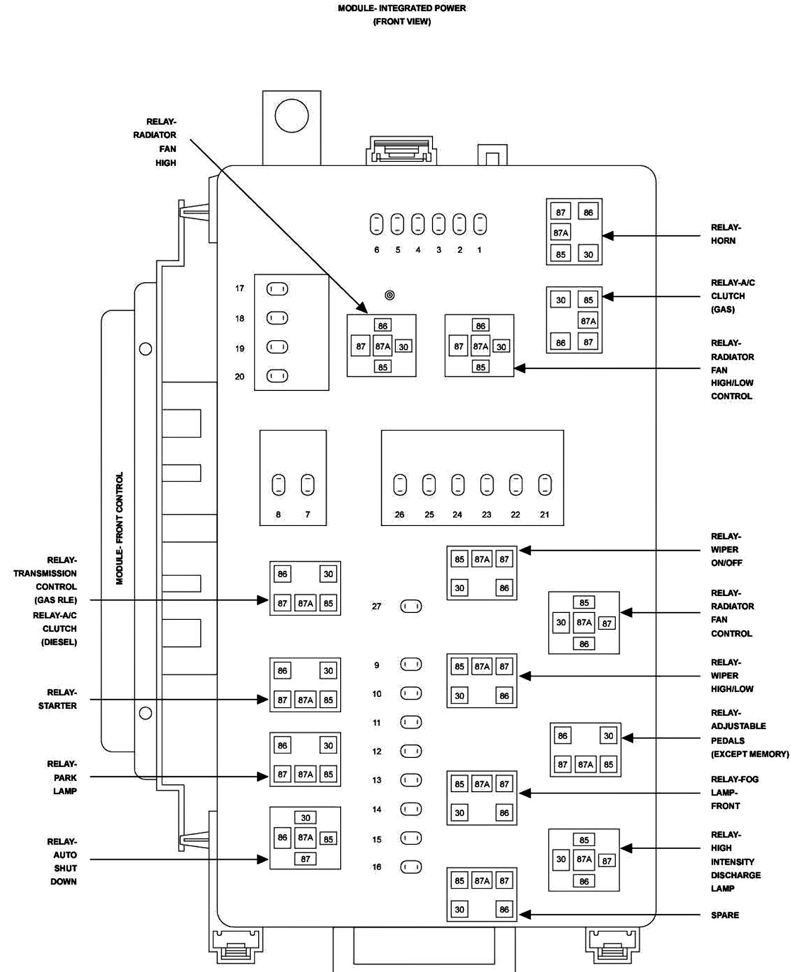
Integrated Power Module (IPM)
Integrated Power Module (IPM)