Curiosii for ever!: Car repair manuals for everyone.

System Schematic

Base:



Premium:



Base Radio-JR41:



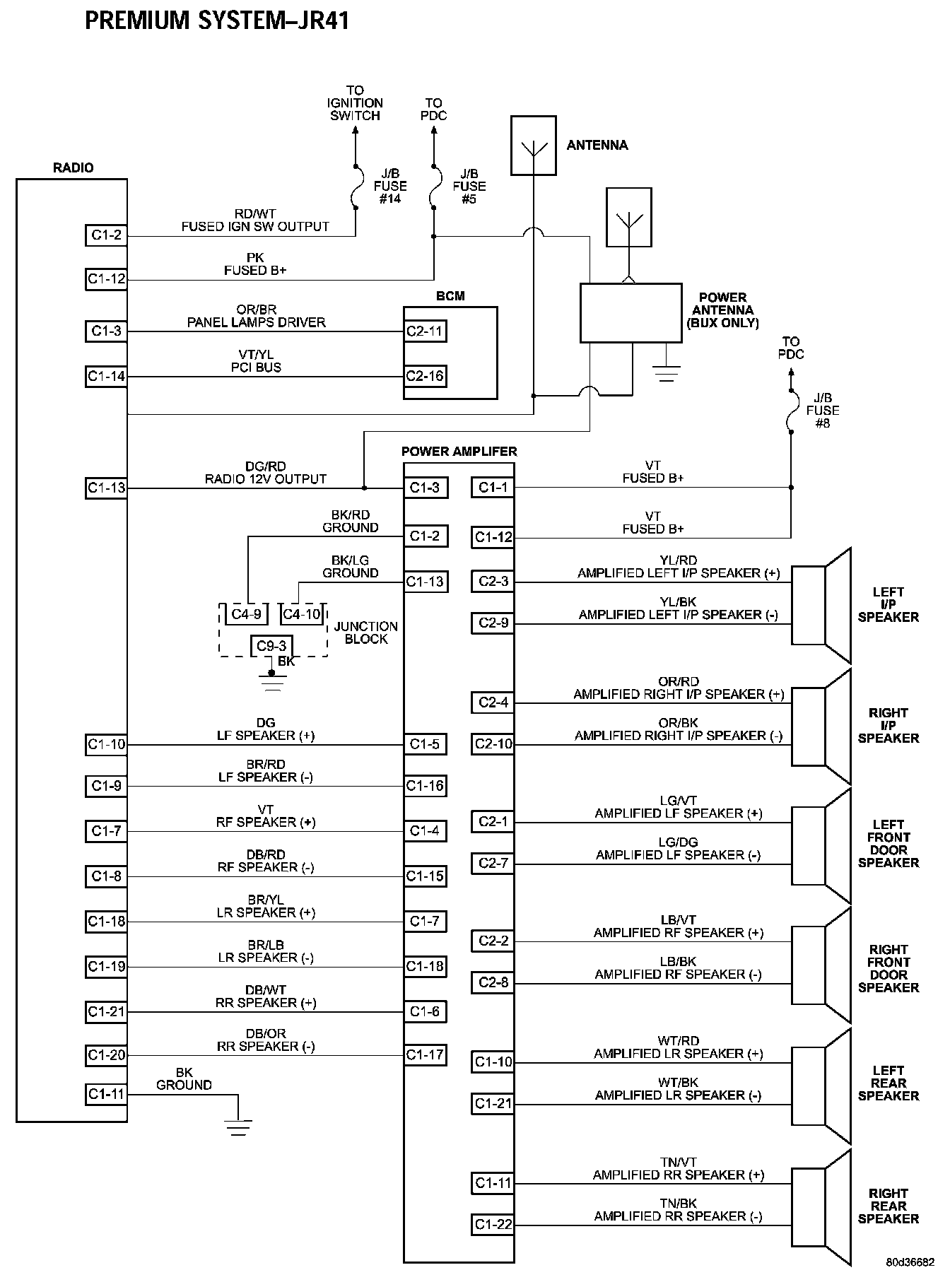
Premium System-JR41:



CD Changer:



Remote Radio Controls:



Chime System:



Compass/Mini Trip Computer (CMTC):



Door Ajar:



Heated Seat Relay:



Rear Window Defogger (Automatic Temperature Control):



Rear Window Defogger (Manual Temperature Control):



Exterior Lighting (Headlamps):



Automatic Temperature Control (ATC):



Manual Temperature Control (MTC):



Horn System:



Courtesy Lamps:



Panel Lamps:



Mechanical Instrument Cluster:



Power Door Locks/RKE:



Convertible Top:



Power Top/4 Window Drop:



PCI Bus Communication:



PCM Communication:



Vehicle Theft Security System:



Satellite Radio SDAR:



Wiper Switch:



Front Wipers: